AULA 7 - Microcontroladores - Eng: mudanças entre as edições
imported>Fargoud |
imported>Fargoud |
||
| Linha 116: | Linha 116: | ||
Existem outras opções de CI’s de ponte H no mercado, é importante consultar as especificações deles em suas folhas de dados(Datasheet) para saber qual irá lhe atender melhor. Veja algumas opções de ponte H: | Existem outras opções de CI’s de ponte H no mercado, é importante consultar as especificações deles em suas folhas de dados(Datasheet) para saber qual irá lhe atender melhor. Veja algumas opções de ponte H: | ||
[https://portal.vidadesilicio.com.br/wp-content/uploads/2017/05/l293d.pdf L293D Folha de Dados] | [https://portal.vidadesilicio.com.br/wp-content/uploads/2017/05/l293d.pdf L293D Folha de Dados] | ||
[https://portal.vidadesilicio.com.br/wp-content/uploads/2017/05/LMD18200.pdf LMD18200 Folha de dados]. | [https://portal.vidadesilicio.com.br/wp-content/uploads/2017/05/LMD18200.pdf LMD18200 Folha de dados]. | ||
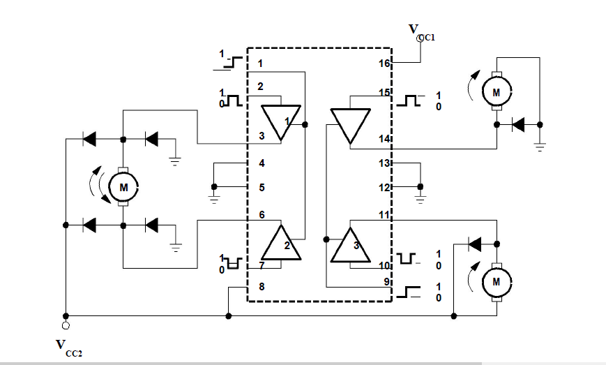
==Circuito integrado Ponte H L293 e L293D== | |||
[[image: MIC2l2931.png]] | |||
[[image: MIC2l2932.png]] | |||
[[image: MIC2l2933.png]] | |||
==Módulos Driver motor com Ponte H == | ==Módulos Driver motor com Ponte H == | ||
Edição das 16h45min de 4 de setembro de 2019
MATERIAIS
Por aluno:
- 1 placa Arduino Uno
- cabo de comunicação/alimentação USB
- 1 computador PC com software Arduino IDE instalado
- 1 proto shield para montagens
- 1 potenciômetro de 10kΩ;
- 1 resistor de 200 Ω
- 1 diodo 1N4148
- 1 diodo 1N4001
- 1 motor CC de 5V;
- 1 circuito integrado L293D ou módulo Ponte H;
- cabos fêmea-macho
METODOLOGIA
- Exposição dialogada dos conteúdos disponíveis, em projetor multimídia.
- Navegação assistida em outros sites e portais, de conteúdos relacionados.
- Montagens práticas e desenvolvimento em computador de aplicativos.
- Testes de verificação e validação.
Como vimos na aula anterior, acionar um motor DC utilizando-se o Arduino exige um circuito auxiliar de controle da velocidade e proteção.
No entanto, existem componentes que facilitam esse trabalho, como é o caso da Ponte H.
Diagrama de um circuito "Ponte H"
Ponte H é um circuito de eletrônica de potência do tipo chopper de classe E, isto é, que converte uma fonte fixa de corrente contínua em uma tensão de corrente contínua variável, abrindo e fechando diversas vezes.
Dessa forma, a ponte H pode determinar o sentido da corrente, a polaridade da tensão e a magnitude da tensão, em um dado sistema ou componente.
Seu funcionamento dá-se pelo chaveamento de componentes eletrônicos usualmente utilizando do método de PWM para determinar além da polaridade, o módulo da tensão em um dado ponto de um circuito.
Tem como principal função o controle de velocidade e sentido de motores DC escovados, podendo também ser usado para controle da saída de um gerador DC ou como inversor monofásico.
O termo Ponte "H", é derivado da representação gráfica típica deste circuito.
Esquema de Funcionamento
A Ponte H nada mais é que um arranjo de 4 transistores. Este circuito é uma elegante solução por ser capaz de acionar simultaneamente dois motores controlando não apenas seus sentidos, como também suas velocidades. Além de seu uso ser simples no Arduino.
Mas como funciona a Ponte H? Porque este nome?
As pontes H em possuem este nome devido ao formato que é montado o circuito, semelhante a letra H.
O circuito utiliza quatro chaves (S1, S2, S3 e S4) que são acionadas de forma alternada, ou seja, (S1-S3) ou (S2-S4), conforme a figura acima.
Fechando-se em conjunto as chaves S1 e S4, o terminal direito do motor fica com uma tensão mais positiva que o esquerdo, fazendo a corrente fluir da direita para a esquerda. Deste modo, o motor adquire sentido de giro que denotaremos por Sentido 1.
Fechando-se em conjunto as chaves S3 e S2, o terminal esquerdo do motor fica com uma tensão mais positiva que o direito, fazendo a corrente fluir da esquerda para a direita. Deste modo, o motor adquire sentido de giro que denotaremos por Sentido 2, que é inverso ao Sentido 1.
Ao acionar em conjunto as chaves S1 e S3 ou S2 e S4 provocamos um curto nos terminais do motor. Isso é necessário quando deseja-se frear um motor já em movimento ou aumentar a dificuldade de giro do eixo por um fator externo.
Tal efeito é alcançado pois a máquina DC passa a se comportar com um gerador quando tem seu eixo em movimento, tanto no caso da rotação, quanto no caso do giro do eixo por fator externo. Ao criar-se um curto circuito entre os terminais da máquina nesse estado, o torque necessário para manter ou colocar o motor em giro cresce, visto a necessidade de corrente exigida da máquina para seu movimento, o que causa o efeito dito, chamado "freio motor".
As chaves S1 e S2 não podem ser fechadas simultaneamente, assim como as chaves S3 e S4, pois o fechamento em conjunto de tais chaves causaria um curto na fonte de alimentação.
Pode-se fazer o uso de PWM nas chaves para controlar a tensão média aplicada sobre o motor, e assim, controlar a velocidade da máquina DC.
Substituindo o motor por um gerador DC, teremos um funcionamento análogo ao apresentado anteriormente, apenas com a diferença de que a corrente é feita no gerador, e a ligação da chave aos pares determina a polaridade na carga para um dado sentido. A aplicação do freio motor não é desejado quando a ponte H é submetido a esse modo de operação.
Como inversor monofásico a ativação dos pares de chave ficam se alternado periodicamente gerando uma frequência definida, e aplica-se PWM a fim de obter-se uma simulação de senoide.
Circuitos auxiliares
Como dito na seção funcionamento, deve-se tomar cuidado para não acionar em conjunto duas chaves que estejam em série, pois isso causaria um curto e danificaria o sistema.
Assim, é indicado o uso de circuitos de proteção a fim de evitar que ambas as chaves sejam acionadas simultaneamente. Para isso, pode-se utilizar portas lógicas, drivers específicos, ou qualquer outro dispositivo ou circuito que não permita que tal fato aconteça.
Em alguns desses dispositivos e circuitos, ainda é possível adicionar um tempo entre a desativação de uma dessas chaves e a ativação de outra, chamado dead time (tempo morto).
Outro cuidado a se tomar é com correntes e tensões reversas que podem surgir em decorrência do acionamento do motor, que podem causar danos às chaves. Para evitar tais danos, é comum utilizar diodos de ação rápida em anti-paralelo com as chaves, e o uso de TVS.
Os circuitos amaciadores, chamados Snubbers, que são usados para tornar a comutação de estado das chaves menos danosas, e assim prolongar a vida útil do circuito.[2]
Há também, muitas vezes, a necessidade de isolar a parte de controle da parte de potência (a Ponte H em si), ou de trabalhar com tensões diferentes nas duas partes.
Para isso, usa-se circuitos ou componentes isoladores, como opto acopladores ou drivers (programa de acionamento).
O uso de drivers é comum na construção de Pontes H, principalmente nas que usam MOSFETs e IGBTs.
Isso porque, em sua maioria, os drivers condensam uma grande quantidade dos circuitos acima em um único componente, reduzindo espaço, custo e complexidade do projeto, além de facilitar a implementação de circuitos específicos, como o circuito de Bootstrap.
Circuito integrado Ponte H L2398N
O CI L298N é muito utilizado para o propósito de controle de motores, ele nada mais é que uma ponte H em um componente integrado.
Uma das vantagens do uso desse CI é o menor espaço ocupado, a baixa complexidade do circuito e o fato de ele já possuir dois circuitos H, podendo assim, controlar dois motores.
Na figura a seguir você pode conferir o diagrama de blocos do CI L298N retirado de sua folha de dados (folha de dados L298N) :
As funções dos principais pinos desse CI são descritas na tabela a seguir:
Funções dos principais pinos da Ponte H L298N
Outra vantagem do L298N é a resposta a sinais de PWM.
Se no lugar de usar sinais lógicos TTL forem usados sinais de PWM, é possível regular a tensão de saída, e dessa forma regular a velocidade dos motores.
O PWM, Pulse Width Modulation (Modulação por Largura de Pulso), consiste basicamente em aplicar uma onda quadrada de amplitude Vcc e frequência alta no lugar da tensão continua Vcc.
Ao usar um sinal de PWM nas entradas IN1 e IN2, por exemplo, teremos uma tensão de saída nos pinos OUT1 e OUT2 em PWM que será igual à Duty Cycle*Vcc. Dessa forma, podemos regular a diferença de potencial média aplicada nos motores, controlando as suas velocidades.
Existem outras opções de CI’s de ponte H no mercado, é importante consultar as especificações deles em suas folhas de dados(Datasheet) para saber qual irá lhe atender melhor. Veja algumas opções de ponte H:
Circuito integrado Ponte H L293 e L293D
Módulos Driver motor com Ponte H
Esses módulos são muito utilizados em aplicações de robótica. Esses módulos possuem dimensões pequenas e já possuem o circuito básico para o uso do CI, o que facilita na acomodação do módulo no robô ou em outros projetos e a sua utilização.
Existem varias opções disponíveis no mercado, com tamanhos e especificações diferentes. Algumas especificações são importantes ao escolher seu módulo, são elas:
Especificação de potência máxima fornecida; Tensão máxima suportada; Corrente máxima suportada; Tensão lógica. Um exemplo desses módulos é o seguinte:
Ci L298N; Tensão para os motores: 5 – 35V; Corrente máxima para os motores: 2A; Potencia máxima: 25W; Tensão lógica: 5V; Corrente lógica: 0-36mA; Dimensões: 43x43x27 mm Peso: 30g.
| PWM e Acionamento de motores | AULA 7 - Ponte H | Projeto 1 >> |
|---|






