AULA 14 - Eletricidade Básica - FIC
CIRCUITOS EM CORRENTE ALTERNADA (CA)
Além das fontes de F.E.M. ou corrente contínua CC, ou em Inglês DC, existe outro tipo que se denomina corrente alternada CA, ou em Inglês AC, que difere da contínua porque a polaridade varia em cada ciclo de tempo.
Uma pilha ou bateria é uma fonte de alimentação em corrente contínua, porque a sua polaridade é sempre fixa.
A principal característica de uma corrente alternada é que, durante um período de tempo um terminal tem uma polaridade e a outra a polaridade inversa e que, no instante seguinte, as polaridades invertem-se tantas vezes quantos os ciclos por segundo, ou hertz.
No entanto, embora exista uma mudança de polaridade, a corrente irá fluir sempre de negativo para positivo, como nas fontes de corrente contínua.
A corrente alternada, diferente da corrente contínua, não possui polaridade fixa e este é o motivo de receber este nome, exatamente porque o nível de corrente alterna entre o positivo e o negativo repetidamente e não possui um valor fixo.
De acordo com a sua forma, a corrente alternada pode ser:
- Retangular ou pulsante (1)
- Triangular (2)
- Dente de serra (3)
- Sinusoidal ou senoidal (4)
De todas estas formas, a onda mais comum é a sinusoidal ou senoidal recebe este nome porque a sua forma se obtém a partir da função matemática seno.
Normalmente, a corrente alternada segue os seguintes ciclos:
- inicia com nível zero e aumenta gradativamente até o máximo positivo;
- começa a retornar a zero, completando o semiciclo positivo;
- ao chegar ao zero, inicia-se o semiciclo negativo, isto é, o nível de corrente assume novamente sua trajetória mas agora em sentido oposto, no sentido negativo, sendo assim a corrente aumenta até seu ponto máximo negativo;
- em seguida, retorna a zero, completando o semiciclo negativo.
Esse comportamento, na verdade, é decorrente da forma de geração dos sinais CA, que é, normalmente, GIRATÓRIA!!!
Por sua vez, existe uma relação muito estreita entre as circunferências e os sinais senoidais, razão pela qual, as correntes CA são sempre representadas como senóides ou cossenóides.
Vantagens da CA
A corrente alternada pode ser transmitida a grandes distâncias mais economicamente que a corrente contínua, sem grandes perdas.
Para isso, pode-se elevar e diminuir a tensão por meio de transformadores.
Sinal senoidal
Um seno, ou cosseno, é um contínuo e periódico, isto é, um sinal "bem comportado", sem variações bruscas, que se repete em um período determinado de tempo.
Outras características do sinal senoidal são:
- Amplitude: intensidade do sinal em um instante de tempo;
- Pico Positivo, ou Amplitude Máxima: intensidade de um sinal; ponto onde a sinusóide alcança o seu valor máximo;
- Pico Negativo, ou Amplitude Mínima: Ponto onde a sinusóide alcança o seu valor negativo máximo;
- Valor de Pico-a-pico: amplitude medida desde o pico positivo, até o pico negativo;
- Valor Zero: instante de tempo onde a sinusóide alcança o valor zero;
- Período (T) ou Ciclo: é o tempo em que dura um ciclo do sinal antes de se repetir (segundos). É o intervalo entre dois pontos sucessivas com o mesmo valor no sinusóide;
- Frequência (f): quantas vezes o sinal se repete por segundo (Hz).
Valor médio
O valor médio de uma tensão ou corrente alternadas é a média aritmética de todos os valores, em meio período. É dado por:
Se o sinal for senoidal.
Valor eficaz
O sinal senoidal possui um valor médio quadrático, ou valor rms, ou valor eficaz , que pode ser calculado pela equação abaixo, para a tensão e corrente senoidais.
O valor eficaz de uma tensão ou corrente CA equivale ao de uma tensão ou corrente contínuas, que dissipariam a mesma potência da corrente alternada em um resistor.
Exemplo: Uma lâmpada de 220V rms (AC), dissipa a mesma potência quando ligada à 220V (CC)
Exemplo
Determine os parâmetros abaixo, no sinal senoidal:
- A expressão matemática;
- A frequência;
- O período;
- A amplitude máxima
- Amplitude mínima
- O valor médio
- O valor eficaz ou RMS
Tensão Alternada
Da mesma maneira que a corrente alternada, a tensão elétrica alternada se propaga da mesma maneira, se alternando entre o positivo e o negativo, como descrito anteriormente.
As cargas elétricas assumem diferentes comportamentos quando expostas à tensão elétrica alternada e corrente elétrica alternada.
Podem ser separadas em três grupos:
- Cargas Resistivas;
- Cargas Capacitivas;
- Cargas Indutivas.
Em aplicações comerciais e residenciais, predominam, em larga escala, as cargas resistivas e indutivas.
As cargas resistivas podem ser encontradas em diversos equipamentos e normalmente, em uma residência compõe o grupo dos maiores consumidores, é o caso do chuveiro, forno elétrico, ferro de passar, etc…
No caso das cargas indutivas podemos observar que estão bastante presentes também em nosso dia a dia, podemos afirmar que estas estão sempre presentes também e compreendem dentre outros, equipamentos como: motores elétricos e transformadores (Geladeira, máquina de lavar, furadeira, etc…)
A equação da tensão alternada senoidal é:
A maioria dos instrumentos de medida é calibrada em unidades eficazes ou médio-quadráticas, o que permite a comparação direta dos valores CC e CA.
Resistores em CA
Resistores em corrente alternada: quando um fonte de tensão CA senoidal é ligada a um resistor, a tensão nesse resistor também será senoidal, e o sinal resultante estará EM FASE, com a tensão da fonte.
Aplica-se normalmente a lei de Ohm:
𝑣(𝑡) = 𝑅.𝑖(𝑡) - valor instantâneo
𝑉𝑚𝑎𝑥 = 𝑅.𝐼𝑚𝑎𝑥 - valor máximo
𝑉𝑟𝑚𝑠 = 𝑅.𝐼𝑟𝑚𝑠 - valor médio ou eficaz
REATÂNCIA, OU IMPEDÂNCIA
A reatância existe somente em circuitos AC (corrente alternada) e, assim como a resistência, sua unidade de medida é o Ohm (Ω).
Existem dois tipos de reatância, provenientes de componentes eletrônicos diferentes:
- A reatância capacitiva XC é produzida por capacitores, que são componentes capazes de armazenar cargas elétricas. Conforme o fluxo de corrente em um circuito AC muda de direção, o capacitor carrega e descarrega energia repetidamente. Quanto mais tempo ele tem para carregar, maior é a oposição à corrente. Por causa disso, quanto mais rápida a mudança de fase, menor a reatância capacitiva.
- A reatância indutiva XL é produzida por indutores, também conhecidos como bobinas ou reatores. Esses componentes criam um campo magnético que se opõem às mudanças de fase em um circuito AC. Quanto mais rápida a mudança, maior a reatância indutiva.
Reatância ou Impedância Capacitiva
É a oposição ao fluxo da corrente devida a um capacitor.
Mede-se em Ohm (Ω).
A oposição à passagem da corrente alternada no circuito, depende da capacitância e frequência da corrente alternada que o percorre.
Em um circuito puramente capacitivo, como o acima, observamos que tensão e corrente variam no tempo, mas estão fora de fase por um ângulo de 90° (π/2 rad).
A corrente é adiantada em relação à tensão (ou seja, o pico de corrente ocorre antes do pico de tensão) e tem amplitude dada por Io = ωCVo.
Note que esse comportamento é de fato esperado, pois assim que o capacitor descarregado é ligado no circuito a corrente é máxima e a tensão é mínima (pois o capacitor está descarregado) e à medida que o tempo passa a corrente diminui e a tensão aumenta (a carga vai se acumulando nas placas do capacitor) e depois de um certo tempo a corrente é zero e a tensão é máxima (capacitor carregado).
Resumo da Reatância Capacitiva
A reatância capacitiva é como uma resistência do capacitor à passagem de corrente
- Não há dissipação de calor
- A reatância diminui com o aumento da frequência
- A reatância aumenta com a diminuição da frequência.
- Em teoria, um capacitor possui resistência infinita (circuito aberto) quando submetido à corrente contínua (DC / CC)
Exemplo
Vamos calcular a reatância de um capacitor de 220pF quando percorrido por uma corrente na frequência de 10 MHz.
Resolução:
Temos que C = 220pF = 220 x 10-12F, e f = 10MHz = 10 x 106 Hz. Assim:
Reatância ou Impedância Indutiva
É a oposição ao fluxo da corrente devida a um indutor.
Mede-se em Ohm (Ω).
A oposição à passagem da corrente alternada no circuito, depende da indutância e frequência da corrente alternada que o percorre.
É dada por:
XL = 2.π.f.L
Onde:
- π = 3,141516
- f = freqüência aplicada no indutor.
- L = valor da indutância
Ao ser fechada a chave do circuito, a corrente no indutor não atingirá o seu valor máximo instantaneamente.
A corrente no circuito aumentará exponencialmente com o tempo e somente após cinco vezes a constante de tempo do circuito atingirá mais de 99% do valor máximo.
Como seno e cosseno têm diferença angular de 90°, diz-se que a corrente está atrasada de 90° da tensão no indutor.
Considerando a tensão da fonte senoidal, a corrente no circuito será, então, cossenoidal.
Inversores
Serão estudados neste capítulo os conversores CC-CA que fornecem em suas saídas tensões com freqüência fixa, para aplicação como fonte de tensão, com controle da corrente de saída.
O inversor deve fornecer uma tensão (ou corrente) alternada, com freqüência, forma e amplitude definidas por algum sistema de controle. Em princípio, a saída deve ser independente de eventuais alterações na alimentação CC, na carga (situação de operação ilhada) ou na rede CA. Dado que a grande maioria das cargas é alimentada em corrente alternada, a aplicação destes conversores se dá tanto em sistemas isolados quanto nos interligados com a rede.
No primeiro caso, o inversor deve ser capaz de fornecer uma tensão de qualidade aceitável (cuja característica pode variar segundo o tipo de carga). Na operação interligada á rede, dado que a tensão é definida pelo sistema, o inversor é responsável pela injeção (ou absorção de corrente (de potência, portanto), na rede.
Inversores tipo fonte de tensão
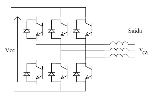
A configuração básica de um inversor tipo fonte de tensão (VSI - Voltage Source Inverter) é mostrada na figura 4.1 para uma conexão trifásica. Uma saída monofásica pode ser obtida utilizando-se apenas dois ramos, ao invés de três. A figura omite os circuitos necessários ao comando dos transistores. Embora ilustrados como transistores bipolares, é possível a construção do circuito utilizando qualquer tipo de interruptor que seja comandado para ligar e para desligar e que apresente tempos de comutação relativamente curtos. Uma vez que se tem uma tensão no lado CC, quando um interruptor da semiponte superior e outro da semiponte inferior (nunca os dois de um mesmo ramo) estiverem em condução, esta tensão CC aparecerá em um par de condutores da saída alternada. Como não se sabe, a priori o que estará conectado no lado CA, sempre a conexão se fará por meio de indutores, os quais permitem limitar a corrente (na verdade sua derivada) nas situações em que a tensão Vca for diferente do valor Vcc, ou seja, o que acontece praticamente todo o tempo. Os diodos presentes no circuito garantem uma bidirecionalidade no sentido da corrente, necessária à correta operação do conversor. Vcc vca Saída
Inversor tipo fonte de corrente
Desde que se disponha de uma fonte de corrente CC (CSI – Current Source Inverter) pode-se aplicar técnicas de modulação de largura de pulso (ou outra qualquer), à semelhança do que se faz com as fontes de tensão. Uma fonte de corrente CC é tipicamente obtida com retificadores controlados e com o uso de indutores com valor elevado de indutância atuando como filtro. O retificador é controlado de modo a manter constante o valor médio da corrente. Os interruptores a serem usados no circuito devem permitir passagem de corrente num único sentido e serem capazes de bloquear tensões com ambas polaridades. Deve-se garantir que haja sempre uma chave em condução em cada semiponte. A figura 4.2 mostra uma topologia deste tipo. Caso a impedância da carga seja indutiva (que é a situação mais usual), é necessária a colocação de capacitores na saída do inversor de modo a acomodar as diferenças instantâneas nos valores das correntes de entrada e da carga. Tais capacitâncias podem provocar ressonâncias com as componentes indutivas do circuito, devendo-se controlar a tensão sobre os capacitores. Icc Carga Cf
Inversor fonte de corrente MLP utilizando IGBT.
Inversores Grid Tie são inversores de corrente utilizados em sistemas fotovoltaicos conectados à rede. Além da função básica de um inversor ou conversor CC/CA, os inversores para conexão à rede também fazem a sincronização com a rede pública de eletricidade, ou seja, garantem que a energia solar produzida seja fornecida exatamente como aquela que recebemos da rede elétrica.
A função do inversor grid tie é transformar a energia solar produzida pelos painéis fotovoltaicos – Corrente Continua (CC) – em energia elétrica na forma convencional que utilizamos, ou seja, Corrente Alternada (CA) 110/220V. Como o sistema fotovoltaico funciona em paralelo com a rede pública, ele também garante que não haja conflitos entre as duas fontes de energia, através de uma precisa sincronização e proteções elétricas necessárias.
OPERAÇÃO NORMAL Neste modo de operação, a fonte CC, que recebe a energia da rede CA ou de um sistema solar, alimenta a entrada do inversor e mantem um banco de baterias em plena carga. O inversor, por sua vez, converte a energia em CC em corrente alternada senoidal, altamente estabilizada em tensão e frequência, com baixa distorção e isenta de ruídos, transitórios e outras perturbações inerentes à rede.
OPERAÇÃO DE EMERGÊNCIA Na falta da rede elétrica ( ou da energia solar), a energia para o inversor passa a ser fornecida pela bateria instantaneamente. Não há portanto, qualquer interrupção no consumidor, que continua a ser alimentado pela saída do inversor, enquanto a bateria se descarrega.
OPERAÇÃO PÓS EMERGÊNCIA Com o retorno da rede ( ou da energia solar) às condições normais a Fonte CC é novamente ativada e volta a fornecer energia para o inversor, que continua alimentando o consumidor.
DPS
Fontes Bibliográficas
COMISSÃO TRIPARTITE PERMANENTE DE NEGOCIAÇÃO DO SETOR ELÉTRICO NO ESTADO DE SÃO PAULO - CPN. Eletricidade Básica - Manual de treinamento curso básico segurança em instalações e serviços com eletricidade - NR 10 . Disponível em: https://portalidea.com.br/cursos/9f2909192195f210d6c6fa89c0894301.pdf
Lemes, Andryos da Silva. APOSTILA DE ELETRICIDADE BÁSICA. MINISTÉRIO DA EDUCAÇÃO, IFSP - CAMPUS DE PRESIDENTE EPITÁCIO. Disponível em:https://pt.scribd.com/document/280039386/Apostila-Eletricidade-Basica
ROCHA, Helder da. Introdução à Eletrônica para Artistas. Apostila de curso livre. 2017. Disponível em: http://www.argonavis.com.br/cursos/eletronica/IntroducaoEletronicaArtistas.pdf.
SAMBAQUI, ANA BARBARA KNOLSEISEN; TAQUES, BÁRBARA OGLIARI. Apostila de Eletricidade. MINISTÉRIO DA EDUCAÇÃO - IFSC - CAMPUS JOINVILLE. Joinville, agosto, 2010. Disponível em: http://wiki.itajai.ifsc.edu.br/images/c/c1/Apostila_de_Eletricidade_IFSC_JOINVILE.pdf
Souza, Giovani Batista. ELETRICIDADE. MINISTÉRIO DA EDUCAÇÃO - IFSC - CAMPUS ARARANGUÁ. Edição: fev, 2009. Disponível em: https://wiki.sj.ifsc.edu.br/images/e/e6/Aru-2009-Agosto-eletricidade_basica.pdf
<<< Voltar para página principal do curso
| INDUTORES << | AULA 14 - CIRCUITOS CA | Geração sustentável >> |
|---|

























