AULA 11 - Circuitos Elétricos 2 - Graduação
Transformadores
Conceitos
O transformador, ou trafo, é um dispositivo que converte a energia elétrica de um nível de tensão e corrente, a outro.
O transformador está baseado no principio de que a energia elétrica pode se transportar de uma bobina para outra, por meio de indução eletromagnética.
O transformador é constituído de duas ou mais bobinas, ou enrolamentos, e um “caminho”, ou circuito magnético, que “acopla” essas bobinas.
Bobina, nada mais é do que um fio enrolado sobre ele mesmo, reduzindo espaço e concentrando os campos eletro-magnéticos. Ao enrolarmos, chamamos cada “volta” de espira.
Existe diversos tipos de transformadores com diferentes tipos de construção, mas todos funcionam com o mesmo princípio, da indução eletromagnética.
Assim, o transformador é composto por dois enrolamentos dispostos de maneira que o fluxo magnético variável produzido por um deles aja sobre outro.
- Enrolamento primário: enrolamento no qual a fonte é aplicada, no qual entra a energia que vai ser transformada, lado esquerdo do desenho.
- Enrolamento secundário é onde sai a energia que foi transformada, aonde está a carga que será alimentada, lado direito.
- O caminho, nesse caso, é um núcleo metálico que concentra os campos eletro-magnéticos, o quadrado onde estão enroladas as bobinas.
Trata-se de um dispositivo de corrente alternada que opera com base nos princípios eletromagnéticos da Lei de Faraday e da Lei de Lenz, que resumidamente, dizem:
"Todo condutor quando percorrido por energia elétrica gera em torno de si, campo eletromagnético proporcional ao comprimento do condutor ou ao valor da energia utilizada."
Espira de cobre. A corrente elétrica que passa pelo fio gera um campo magnético em seu entorno. Ilustração: Fouad A. Saad / Shutterstock.com
"Todo condutor quando inserido em um campo eletro-magnético sofre a indução de energia elétrica proporcional ao comprimento do condutor ou à intensidade desse campo."
"A tensão induzida em circuito fechado por um fluxo magnético variável produzirá uma corrente de oposição à variação do fluxo que a criou"
Definições
Ou seja, a Lei de Faraday estabelece que:
Mas, sabemos que a tensão em uma indutância, a partir de uma corrente variável, será dada por:
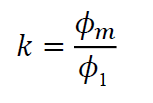
Por sua vez coeficiente de acoplamento magnético k entre as duas bobinas é dado por:
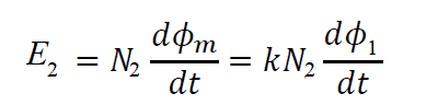
E a tensão na bobina secundária pode ser escrita como:
Se todo o fluxo magnético gerado no enrolamento primário também atravessar o secundário:
De forma que obtemos:
Portanto, existem duas formas de se obter uma tensão induzida:
- Provocar um movimento relativo entre o campo magnético e o indutor;
- Criar uma corrente variável, para gerar um campo magnético variável.
Observe que o gerador fornece corrente elétrica para um enrolamento, o primário, e a variação desta corrente gera o campo eletro-magnético, representado pelas setas vermelhas.
Nesse campo, e sem nenhum contato físico com o primário, introduzimos outro enrolamento, o secundário, no qual será induzida outra corrente (e outra tensão) por esse campo, que pode ser medida pelo multímetro.
Embora o fluxo magnético seja conveniente para se entender o funcionamento do transformador, ele não é usado na análise dos circuitos dos transformadores. Ao contrário, ou são usadas as relações das espiras, ou as indutâncias.
Observação
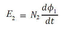
Note que:
ou
Transformador de núcleo de ferro
- Aumenta o valor do acoplamento entre os enrolamentos pelo aumento do fluxo mútuo 𝜙𝑚.
- As linhas de fluxo “escolhem” o caminho de menor relutância (permeabilidade do aço é >> que a permeabilidade do ar).
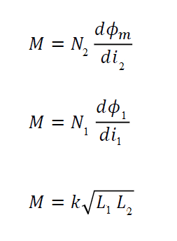
Indutância mútua entre os enrolamentos M (H)
A indutância mútua entre dois enrolamentos é proporcional à taxa de variação do fluxo de um dos elementos, em função da taxa de variação da corrente em outro enrolamento.
Ou seja, quanto maiores o coeficiente de acoplamento e a indutância dos enrolamentos, maior a indutância mútua entre eles.
Finalmente, as tensões nos enrolamentos podem ser descritas em função da indutãncia mútua M desta forma:
Aplicações dos trafos
Os trafos são componentes elétricos muito importantes.
As principais aplicações dos trafos são:
- Nos sistemas de potência elétrica:
- adequar os níveis de tensão nos sistemas de geração, transmissão e distribuição de energia elétrica
- aumentar a eficiência da transmissão.
Exemplo da necessidade do uso de trafos em sistemas de potência:
Seja um gerador com tensão terminal de 10KV e capacidade de 300 MW, e que se deseja que esta energia/potência seja transmitida para uma carga situada a uma distância de 20km. Qual seria a perda??
Tem-se que:
Com o uso de trafos:
- Nas aplicações eletrônicas:
- combinam as impedâncias da carga às impedâncias da fonte, para máxima transferência de potência.
- podem acoplar amplificadores sem qualquer conexão metálica, que poderiam conduzir/propagar correntes cc.
- isolar eletricamente circuitos de controle e eletrônica, do circuito de potência principal ("fonte")
- podem funcionar com capacitores para filtrar sinais.
Regra da mão direita
A direção do fluxo produzido pela corrente que passa num enrolamento pode ser determinada pela regra da mão direita:
Se os dedos da mão direita envolvem um enrolamento na direção da corrente, o polegar vai apontar na direção do fluxo produzido no enrolamento, por esta corrente.
Princípio de funcionamento
- O que acontece se energizarmos a bobina 1 com uma fonte de corrente contínua??
- O que observa a bobina 2?
- O que acontece se energizarmos a bobina 1 com uma fonte de corrente alternada??
- O que observa a bobina 2?
Pela lei de indução de Faraday, surge uma tensão induzida na bobina 2 do transformador:
Se uma carga for conectada à bobina 2, uma corrente i2 circulará pela mesma.
Pela lei de Lenz, o sentido da corrente i2 é de forma a se opor à variação do fluxo magnético que a criou.
Transformador ideal
No transformador ideal, isto é, sem perdas:
- resistência dos enrolamentos é desprezível.
- A permeabilidade do núcleo é infinita (portanto, a corrente de magnetização é nula).
- Não há dispersão.
- Não há perdas ou correntes parasitas no núcleo.
Análise: será considerado que todo o fluxo gerado pelo enrolamento primário passa pelo enrolamento secundário 𝜙𝑚 = 𝜙1 = 𝜙2.
Equação fundamental do transformador
A Lei de Ampere estabelece que o fluxo de corrente elétrica gera um campo magnético.
Se esse campo for acoplado a um circuito elétrico e variar com o tempo (enlace de fluxo), a lei de Faraday estabelece que será gerada uma tensão no circuito acoplado.
Embora este fenômeno ocorra em grande parte dos circuitos, o efeito é amplificado nas bobinas, uma vez que a geometria do circuito amplifica o efeito de acoplamento.
Considere-se, então, o caso em que um campo magnético φ acopla-se às N espiras de uma bobina. O enlace neste fluxo será:
λ = N.φ [Webers]
Se o fluxo φ, e portanto o enlace de fluxo, for gerado por uma corrente i e além disto, existir um campo em um meio permeável constante, pode-se mostrar que:
λ = Κ.i
onde Κ é a indutância L, isto é:
Κ = L = λ/i [Webers/Ampere ou Henrys]
Caso λ varie com o tempo, então, de acordo com a Lei de Faraday, a tensão v é induzida de modo que:
v = d(λ)/dt
substituindo-se λ pela primeira equação:
v = d(N.φ)/dt = N.dφ/dt
Considerando-se duas bobinas, com N1 e N2 espiras, respectivamente, enroladas no entorno de um único núcleo magnético fechado, o mesmo fluxo φ vai passar através de cada enrolamento.
As tensões v1 e v2 geradas serão:
Desta forma, temos:
Em que a é a relação de espiras do transformador, denominada de relação de transformação.
Para tensões senoidais, em termos de fasores:
Considerando uma carga no secundário, existirá uma corrente i2 no mesmo, que criará uma forma magneto-motriz N2.i2, no sentido de alterar o fluxo no núcleo (desmagnetizando o núcleo).
Portanto, o equilíbrio entre as forças magnetomotrizes será perturbado.
Potências nos transformadores
A lei de Ampere requer que:
Como a corrente de magnetização é considerada nula, para o trafo ideal, a segunda equação do circuito magnético do trafo é dada por:
Visto que N1.i1 = N2.i2 , a única maneira do balanço se manter é a corrente i1 variar com o aumento de i2.
Pode-se dizer que uma fmm adicional é exigida do primário.
Assim, temos:
Em termos fasoriais:
Obs: Na prática, é necessária uma pequena corrente de magnetização no enrolamento primário, para estabelecer o fluxo no núcleo.
A potência instantânea no primário é dada por p1(t) = v1.i1.
A potência instantânea no secundário é dada por p2(t) = v2.i2.
Substituindo:
p1(t) = v1.i1 = (a.v2).(i2/a) = v2.i2 = p2(t)
Portanto, mantém-se a potência instantânea nos dois lados, o que era esperado, visto que a perdas foram desprezadas!!!
Em termos fasoriais:
Impedâncias nos transformadores
Ao se conectar uma impedância no secundário, qual a impedância vista pelo primário?
Temos que a impedância nos terminais do secundário é dada por:
Analogamente, a impedância equivalente vista dos terminais do primário (vista pela fonte) é:
A impedância conectada ao terminal do secundário produz no primário o mesmo efeito que o produzido por uma impedância equivalente Z2´ conectada aos terminais do primário.
Z2´ é chamada de impedância do secundário refletida no primário:
De maneira similar, as correntes e tensões podem ser refletidas de uma lado para o outro, através da relação de espiras:
Exemplos:
Casamento de impedância via transformador
Um auto falante tem uma impedância resistiva de 9 Ω, o qual é conectado a uma fonte de 10V, com impedância resistiva interna de 1Ω, como mostrado abaixo:
(a) Determine a potência entregue pela fonte ao auto falante.
(b) Para maximizar a transferência de potência para o auto falante, um transformador com uma relação de espiras de 1:3 é usado para conectá-lo à fonte, como mostrado na figura abaixo. Determine a potência entregue pela fonte ao auto falante, neste caso.
Convenção dos pontos
O uso de pontos nos terminais dos enrolamentos, de acordo com a convenção dos pontos é um método conveniente para especificar as relações da direção dos enrolamentos.
Um terminal de cada enrolamento é ponteado, ou marcado de alguma maneira, sendo escolhidos os terminais ponteados para que as correntes que atravessam os terminais ponteados produzam fluxos que se adicionem.
Como podemos constatar na figura acima, quando a polaridade for inversa, isto é, quando ambas as correntes não entram/saem pelos pontos, a relação de transformação é dada por:
a = -V1/V2
Ou:
Observação
Quando houverem fontes em ambos os lados do circuito => transportar um dos lados (com fonte e tudo) para o outro.
Desta forma:
ou, quando os pontos estiverem em oposição:
Exercícios
1. Determine qual a impedância de entrada do circuito, vista pela fonte, no circuito abaixo
2. Determine as correntes e tensões indicadas, no circuito abaixo
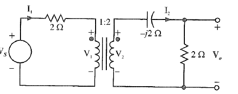
3. Calcule I1 e V0 no circuito abaixo
4. Se V0 = 10<0º no circuito abaixo, determine a tensão Vs da fonte
Solução dos Exercícios de Transformadores ideais
Circuitos equivalentes com trafos ideais
Outra técnica para simplificar a análise de circuitos contendo transformadores ideiais consiste em utilizar Teorema de Thevenin ou de Norton para encontrar o circuito equivalente em cada lado do trafo e, em seguida, o circuito refletido equivalente.
Por exemplo, aplicando-se Teorema de Thevenin para derivar um circuito equivalente no primário do circuito abaixo:
Transformador Real
O trafo ideal não apresenta perdas e toda potência entregue ao primário é transferida ao secundário.
No trafo real, algumas perdas são:
- potência dissipada nos enrolamentos;
- perdas por aquecimento no núcleo (por histerese e correntes parasitas);
- fluxo de dispersão - parte do fluxo magnético não se acopla ao secundário.
Além disto:
- as resistências dos enrolamentos não são desprezíveis;
- a permeabilidade do núcleo é finita → corrente de magnetização não-nula → relutância do núcleo diferente de zero.
- há dispersão de fluxo magnético;
- há perdas no núcleo - histerese, correntes parasitas, ruído, magneto estricção.
definindo-se Z1 = R1 + j.Xi1, como a impedância interna do primário e Z2 = R2 + j.Xi2, como a impedância interna do secundário:
Refletindo-se as impedâncias do secundário para o primário:
Perdas no transformador
Graças às técnicas com que são fabricados, os transformadores modernos apresentam grande eficiência, permitindo transferir ao secundário cerca de 98% da energia aplicada no primário.
As perdas são devidas, entre outras coisas, às resistências dos fios de cobre nas espiras primárias e secundárias, são sob a forma de calor e não podem ser evitadas.
Os seguintes aspectos contribuem para que os trafos apresentem valores baixos de perdas:
- O transformador é uma máquina estática, ou seja, não tem partes rotativas que causam mais perdas por atrito nos eixos, ou por resistência do ar no entreferro;
- O núcleo é constituído por placas laminadas e dotadas de materiais de alta resistência elétrica, as quais têm o objetivo de minimizar as perdas por correntes parasitas.
- materiais com alta permeabilidade magnética são utilizados para diminuir as perdas por histerese.
Rendimento de um transformador
onde:
P perdas = P entrada - P saida
As perdas no trafo incluem:
- Perdas no núcleo de ferro (Pc) - perdas pr correntes parasitas ou por histerese, podem ser determinadas pelo teste em vazio, ou a partir dos parâmetros do circuito equivalente.
- Perdas no cobre (PCu) - perdas ôhmicas, podem ser determinadas se os parâmetros do transformador forem conhecidos.
Um dos critérios de desempenho de um trafo projetado para suprir potência com tensão aproximadamente constante para uma carga é o da regulação de tensão.
Em outras palavras, indica o grau de constância da tensão de saída quando a carga é variada.
A regulação de tensão do trafo é definida como sendo a variação da tensão do secundário, em condições de plena carga e em vazio, tomada como porcentagem da tensão a plena carga, com tensão do primário mantida constante.
Ou seja:
Determinação dos parâmetros do trafo
Os parãmetros do circuito equivalente podem ser determinados a partir de dois tipos de ensaio: teste em vazio e teste em curto-circuito.
Ensaio a vazio
- O lado de alta tensão do transformador é deixado em aberto e uma tensão nominal, na frequência nominal, é aplicada no lado de baixa tensão (para usar menor tensão).
- Mede-se a tensão, a corrente e a potência ativa nos terminais do lado de baixa tensão.
- A corrente de baixa tensão é composta somente pela corrente de excitação.
Ensaio de curto-circuito
- O lado de baixa tensão do transformador é curto-circuitado e uma tensão é aplicada ao lado de alta tensão, aumentando-se gradualmente, até se obter a corrente nominal do lado de alta (para usar menor corrente).
- Mede-se a tensão, a corrente e a potência ativa nos terminais do lado de alta tensão.
- Com o curto no lado de baixa tensão, o ramo de excitação é desprezado.
Exemplo:
A partir dos testes realizados em um transformador monofásico de 10kVA, 2200/220 V, 60 Hz, foram obtidos os seguintes resultados:
| Teste em vazio | Teste de curto-circuito | |
|---|---|---|
| Voltímetro | 220 V | 150 V |
| Amperímetro | 2,5 A | 4,55 A |
| Wattímetro | 100 W | 215 W |
(a) calcule os parâmetros dos circuitos equivalentes referidos ao lado de baixa e alta tensão.
(b) expresse a corrente de excitação, em termos da corrente nominal.
(a) No teste em vazio aplica-se a tensão nominal ao lado de baixa tensão. Assim:
No teste de curto-circuito, aplica-se tensão variável no lado de alta até obter-se a corrente nominal, qual seja:
Inominal = 10 kVA/2,2 kV = 4,55 A.
Assim:
(b) expresse a corrente de excitação, em termos da corrente nominal:
No teste em vazio, a corrente medida é a própria corrente de excitação.
Além disto, o teste é realizado do lado de baixa.
Assim:
Tipos de trafos
Existe uma infinidade de tipo e modelos de transformadores. Eles estão presentes na maioria dos aparelhos elétricos e eletrônicos encontrados normalmente em casa, tais como, por exemplo, computador, aparelho de som e televisor.
- Transformador de alimentação;
- Transformador de áudio;
- Transformador de distribuição;
- Transformador de potencial;
- Transformador de corrente;
- Transformador de rádio freqüência;
- Transformadores de pulso;
- Autotransformadores.
Bibliografia
[1] SADIKU, M. N. O.; MUSA, S. M.; ALEXANDER, W. K. Análise de Circuitos Elétricos com Aplicações. Porto Alegre: Mc Graw Hill Education, 2014. v. 3.
[2] BOYLESTAD, R. L. Introdução à Análise de Circuitos. 12a ed. São Paulo: Pearson, 2011.
[3] PETRY, C. Circuitos 2. Disponível em: Aula 14 - Ressonância, 2023.
[4] BALDINI Fo., Renato. EA-513 Circuitos Elétricos, Notas de Aula, Disponível em: Circuitos Elétricos, 2014.
| << Ressonância | Transformadores | Circuitos Polifásicos >> |
|---|







































































