AULA 4 - Eletrônica Geral 1 - Técnico
<<< Voltar para página principal do curso
Modificado de: "APOSTILA PARA A DISCIPLINA ELETRÔNICA GERAL", MSc. Thiago Ribeiro de Oliveira, IFMG
Sinais Alternados
Um sinal é um meio de representar as informações contidas em fato ou fenômeno físico presentes em nosso mundo.
Na área técnica, tratamos como sinal todo fenômeno que carrega informações úteis a um processo ou sistema. Por exemplo, imagine que um sistema de controle tem que controlar a temperatura de um forno industrial; para esse sistema as informações referentes à variação da temperatura da câmara ao longo do tempo são um sinal, assim como as informações de pressão, vazão de combustível, etc.
Para um sistema de transmissão de rádio, um tipo de sinal seria a voz do locutor, a qual transporta as notícias a serem anunciadas. Também com relação a sinal sonoro, cada instrumento musical tem seu "timbre", ou forma de onda específica:
Um tipo de processo pode receber informações advindas de vários sinais, alguns úteis, como os exemplificados acima, outros, indesejáveis.
Normalmente trata-se os sinais indesejados em um determinado processo como ruído.
Especificamente, em Eletroeletrônica, sinal é uma forma de onda de tensão, ou corrente, que representa algum comportamento de circuito.
Os sistemas eletrônicos a serem discutidos nessa matéria tem como intuito principal processar os sinais necessários para o funcionamento de um processo. No entanto, os sistemas eletrônicos apenas interpretam grandezas elétricas, como tensão e corrente.
Assim sendo, para que os diversos fenômenos físicos possam ser processados é necessário que estes sejam primeiramente convertidos em sinais analógicos de corrente ou tensão.
Esse processo de conversão é realizado por equipamentos específicos chamados de transdutores, dos quais podemos citar o microfone (transdutor de pressão), o termopar (transdutor térmico), o LDR (transdutor luminoso), entre outros.
Os transdutores mais utilizados em processos industriais serão tema da disciplina de Transdutores, no curso Técnico de Eletroeletrônica do IFSC, Campus Itajaí. É suficiente agora saber que os sinais relacionados a eventos físicos podem ser representados no domínio elétrico.
Como os sinais elétricos são gerados a partir de eventos físicos, eles possuem um comportamento variável com o tempo, ou seja, a magnitude do sinal pode mudar de valor ao longo do tempo.
De modo geral, um sinal elétrico assume a forma senoidal, como o ilustrado na Figura abaixo:
Elementos de um sinal elétrico
Um sinal convencional de tensão ou corrente possui três componentes básicos:
- Amplitude - Define a magnitude do sinal elétrico (Unidade dependente do tipo de grandeza analisada);
- Frequência - Define o número de ciclos que aquele sinal exibe em um segundo (Medido em Hertz);
- Fase - Define o deslocamento do sinal em relação a um instante de referência (Medido em graus ou radianos).
Um sinal pode, portanto, transportar informações inseridas em pelo menos um desses três componentes.
Amplitude de um sinal
A amplitude de um sinal elétrico mede a magnitude daquele sinal, sendo que a unidade referente a tal magnitude está relacionada à grandeza analisada.
Por exemplo, um sinal de tensão terá sua magnitude medida em Volts; um sinal de corrente, em Ampéres e um sinal potência, em Watts.
Valor Instantâneo
O valor instantâneo x[t] de um sinal representa a magnitude do sinal em cada instante de tempo.
Valor de pico-a-pico
O Valor de amplitude pico-a-pico, App, representa a magnitude existente entre o ponto máximo do sinal em um período e o seu ponto mínimo.
Valor de pico
O valor de pico, Ap, representa a magnitude existente entre o ponto máximo do sinal em um período e o valor médio do sinal.
Valor médio
O valor médio Am é a magnitude da média de um sinal ao longo de um período.
O valor médio é igual à soma das áreas sob a curva (integral) de um sinal, dividido pelo período.
Num sinal senóide, cuja linha média esteja sobre o eixo cartesiano do tempo (Amplitude = 0), o valor médio é nulo, porque o sinal tem valor positivo durante metade do tempo, e valor negativo, de igual área, durante a outra metade.
Valor Eficaz ou RMS (Root Mean Square)
O valor RMS, ou seja, o valor médio quadrático, é um representação de magnitude muito utilizada em sistemas elétricos.
Esse valor não pode ser extraído apenas pela análise da forma de onda do sinal, como é feito com os demais.
O valor eficaz é um valor constante correspondente a um sinal arbitrário, de modo que a potência dissipada sobre um resistor alimentado por este valor constante RMS seria igual à potência dissipada pelo mesmo resistor, se alimentado pelo sinal arbitrário em si.
Num sinal senoidal elétrico com valor médio nulo e frequência fixa, o Valor Eficaz do sinal senoidal puro seria:
Amplitude RMS = Ap/√2 = Ap/1,4142 = Ap.0,707
Frequência de um sinal
A frequência de um sinal elétrico representa quantos ciclos daquele sinal ocorrem em um intervalo de um segundo.
O valor de frequência é representado pela unidade Hertz (Hz), a qual significa ciclos/segundo.
O valor inverso da frequência é o período de um sinal, ou seja, o tempo necessário para que este sinal complete um ciclo.
Na Figura 4.2, o período do sinal é representado por T. Assim a frequência do sinal seria:
f = 1/T
Fase de um sinal
Matematicamente, considera-se que um sinal periódico, seja ele elétrico ou não, como tendo duração eterna, ou seja, começou em um tempo infinitamente distante e continuará para sempre, mantendo os mesmos atributos que o descrevem.
Sabemos que essa afirmação não é realista, uma vez que os sinais, como representações de eventos físicos, duram um intervalo mensurável de tempo (mesmo que este seja de alguns milhões de anos!), no entanto, essa é uma maneira de podermos tratá-los como sinais periódicos e utilizar ferramentas matemáticas conhecidas e simplificadas para analisá-los.
Uma vez dito isso, fica claro que ao se analisar um período, ou trecho, de um sinal, é importante definir um instante de tempo de referência, ou seja, em qual momento queremos verificar os atributos de um determinado sinal.
Acontece, todavia, que esse instante de referência não necessariamente estará alinhado com o início de um ciclo do sinal a ser analisado.
A distância (em radianos ou graus) entre o instante de referência e o início de um novo ciclo do sinal analisado dá-se o nome de ângulo de fase, ou simplesmente fase.
Para exemplificar essa ideia, observe as duas ondas senoidais apresentadas na Figura abaixo.
Note que a onda em Azul se inicia no mesmo instante em que o eixo do tempo tem seu valor nulo, ou seja, t = t0 = 0 (t0 normalmente é o símbolo utilizado para definir o instante de referência.).
Nesse caso, dizemos que a onda senoidal possui fase nula, ou zero, pois está em fase com o instante de referência.
Já a onda em Preto se inicia em um instante posterior ao da onda azul, sendo que a distância angular entre a onda preta e o instante t0 é de π/2 , ou 90°.
Logo, podemos dizer que esta onda possui um ângulo de fase de 90°.
Comumente podemos empregar o conceito de fase ao comparar duas ondas em um mesmo intervalo de tempo.
Mantendo ainda o exemplo da figura, podemos dizer que a onda preta está 90° atrasada em relação àa onda azul, isso pois a onda azul tem seu início em um instante anterior à onda preta.
Logo, existe um defasamento entre as duas ondas, o qual pode ser medido em graus (90°), ou radianos (π/2 ).
No caso do sinal senoidal e seus derivados, a fase pode ser incorporada à equação que define o sinal, como é mostrado a seguir:
S(t) = Ap.sen(ωt + ϕ)
Onde:
S(t) é o sinal dependente do tempo; Ap é o valor de pico do sinal; ω = 2πf é a frequência angular do sinal, medida em radianos/s; f é a frequência do sinal em Hertz; ϕ é o ângulo de fase em radianos; t é o instante de tempo que define um valor instantâneo do sinal avaliado.
Aplicações de Diodos em corrente alternada (C.A.)
Circuitos com entrada c.a.
Muitas vezes, um circuito a diodos é alimentado por um sinal alternado.
Para se realizar a análise do sistema, deve-se verificar o comportamento para diversas possibilidades de funcionamento, ou seja, deve-se procurar por pontos de operação do circuito.
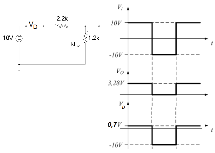
Como exemplo, tome o circuito a diodos da Figura abaixo:
Neste circuito existem duas condições de operação:
- Quando a tensão de entrada é positiva;
- Quando a tensão de entrada é negativa.
Quando a tensão vi é positiva, note que o diodo estará diretamente polarizado, de modo que o circuito se torna:
Neste caso, pode-se escrever que:
10V = 0, 7V + (2,2kΩ + 1,2kΩ)·ID
De modo que a corrente na malha se torne:
ID = (10V − 0,7V)/(2,2kΩ + 1,2kΩ) = 2, 73 mA
A tensão de saída será então: Vo = 1,2kΩ·ID = 3,28V
No segundo caso, quando a tensão se tornar negativa, o diodo estará reversamente polarizado. Isso faz com que ele bloqueie a circulação de corrente, como ilustra a Figura.
Neste caso, como não há circulação de corrente, a tensão Vo = 0V . Com essas informações, pode-se esboçar a forma de onda de tensão na saída, levando em consideração as análises feitas. A figura acima, à direita, apresenta as formas de onda de tensão na entrada e na saída do circuito.
Nota-se que a análise de circuitos com entrada c.a. pode se tornar bastante complexa, dependendo da montagem e da forma de onda do sinal alternado.
Para simplificar o estudo dessas montagens, podemos determinar circuitos básicos a diodos, os quais podem ser encontrados em diversas aplicações.
Nesta apostila abordaremos dois desses circuitos, os retificadores (como o exemplo dado acima) e os limitadores (ceifadores).
Outros circuitos básicos, como os dobradores de tensão e grampeadores, podem ser encontrados nas referências.
Limitadores de tensão
Os circuitos limitadores, também denominados ceifadores, são projetados para limitar o nível de tensão em sua saída.
A aplicação principal dessa montagem é proteger outros circuitos de sobre-tensões provocadas por falhas nos circuitos, curto-circuito, ou ruídos induzidos, no entanto, existem aplicações onde o ceifamento é feito propositalmente, como no caso de distorcedores de áudio e geradores de forma de onda.
A montagem básica de um limitador é apresentada na Figura abaixo.
Observe que os diodos são conectados entre a saída do circuito e duas tensões contínuas, uma positiva (+VCC) e outra negativa (−VEE).
Ou seja, para o diodo superior:
VD = Vo - VCC
e para o diodo inferior:
VD = -VEE - Vo
Portanto, para que os diodos conduzam, devem ocorrer duas situações:
- Tensão de saída igual a +VCC + 0, 7V ;
- Tensão de saída igual a −VEE − 0, 7V .
Em qualquer outra situação os diodos se encontrarão em corte.
Como a tensão de entrada é conectada à saída por meio de um resistor, e este apenas perceberá corrente quando os diodos estiverem em condução, quando os diodos estiverem em corte a tensão de saída será sempre igual àa tensão de entrada.
Com isso se percebe a finalidade do circuito:
Enquanto a tensão de entrada estiver entre os limites comentados acima, ela passará pelo circuito limitador sem alteração. Quando a tensão de entrada extrapolar os limites, ela será limitada pelos diodos.
Como exemplo, tome a seguinte condição: VCC = 15V , VEE = 10V . Assumiremos uma tensão de entrada triangular (poderia ser qualquer forma) com valor de pico igual a 5V.
A Figura abaixo apresenta a forma de onda da tensão de entrada e os limites de condução dos diodos.
Note que como a tensão de entrada é inferior aos patamares de saturação (limites de tensão na saída do circuito) os diodos não entrarão em condução e portanto, a tensão de saída será igual à tensão de entrada.
Caso o nível da tensão de entrada seja elevada a 12V, ter-se-á as formas de onda na parte inferior da figura.
Neste segundo caso, a tensão de entrada supera o limite inferior de saturação. Assim, o diodo inferior irá conduzir e limitar a tensão de saída, durante o intervalo em que a tensão é inferior a -10,7V, à tensão de saturação.
Com isso, nota-se que há uma deformação na forma de onda da tensão de saída, a qual é ceifada em seu pico inferior.
Caso a tensão de entrada se eleve ainda mais, ocorrerá o ceifamento no pico superior também.
O mesmo efeito pode ser obtido com um circuito a zeners, como apresentado na Figura abaixo.
Os limites de saturação seriam determinados pelas tensões de avalanche dos dispositivos. Neste exemplo, os limites de saturação seriam ±(VZ + 0, 7V ).
OBS: Pode-se variar os valores dos limites de saturação, ou se retirar diodos, de modo a se ter apenas um limite de saturação. No entanto, o efeito de limitação sempre ocorrerá quando houver algum dispositivo que impeça a elevação do nível de tensão acima de um valor pré-determinado.
Mais referências sobre circuitos ceifadores e grampeadores:
Retificador Básico
Os circuitos retificadores são utilizados em uma larga gama de aplicações: conversores CA/CC, fontes de alimentação, detectores de valor de pico, geradores de forma de onda, etc.
Na seção seguinte iremos verificar o funcionamento de retificadores aplicados a fontes de alimentação monofásicas. O objetivo principal de um retificador é eliminar alguma parcela do sinal de entrada, de modo que a saída exiba um nível médio diferente de zero.
O circuito básico de um retificador é apresentado abaixo.
Note que só existirá tensão na saída se o diodo conduzir e essa condição apenas será satisfeita se a tensão de entrada for positiva e superior à tensão de limiar do diodo, ou seja, Vi ≥ 0,7V.
Com essa observação, podemos esboçar a forma de onda de entrada e saída do circuito, consideraremos para tal uma tensão de entrada triangular de valor de pico 10V, como mostra a Figura abaixo.
Observe que o diodo deixará passar para a saída apenas a parcela de tensão que é superior à sua tensão de limiar, assim o valor de pico da tensão de saída é de Vimax −0,7V , como no nosso exemplo a tensão de pico de entrada é de 10V, a tensão de pico da saída será de 9,3V.
Retificadores para fontes de alimentação
Retificador de Meia-Onda
O circuito básico de um retificador monofásico de meia-onda é mostrado na Figura:
Onde:
Vi é a tensão senoidal de entrada. Vi = Vmsen(2πft); VO é a tensão de saída; VD é a tensão sobre o diodo do retificador; ID é a corrente que circula pelo diodo e a carga; R é a carga do circuito.
Observa-se que o circuito de um retificador de meia-onda se assemelha ao circuito apresentado na Figura 3.1. Naquele circuito mostramos que o diodo estaria em condução sempre que a tensão da fonte fosse superior à tensão de limiar do diodo (0,7V para o silício). Para o circuito em c.a., essa condição se mantém, no entanto, como a tensão de entrada varia com o tempo, haverá regiões de condução e de bloqueio do diodo. Essas regiões estão sintetizadas na Figura 4.19.
Pela lei de kirchhoff das tensões, temos que a equação da malha será:
Vi − VD − R•ID = 0
Considerando as regiões de operação mostradas na Figura 4.19, podemos calcular os valores das grandezas elétricas do circuito:
Vi ≥ 0, 7V VD = 0, 7V ID = Vi ÷ R VO = Vi − 0, 7V Vi < 0, 7V VD = Vi ID = 0A VO = 0V
A partir das equações acima, podemos traçar as formas de onda das tensões no circuito do retificador de meia-onda.
Estas formas de onda são apresentadas na Figura 4.20.
A tensão de pico reversa (ou TPI - Tensão de pico inversa) é o valor máximo negativo atingido pela tensão sobre o diodo do retificador.
Ao se escolher um diodo retificador é importante observar se a tensão de ruptura, ou avalanche, desse diodo é superior à TPI do circuito.
Observando as formas de onda apresentadas na figura podemos identificar duas regiões de operação no circuito retificador de meia-onda:
- Semi-ciclo positivo do sinal de entrada - Enquanto a tensão de entrada é inferior à
tensão limiar do diodo, não há condução. Quando a tensão de entrada é superior à tensão limiar, o diodo entra em condução, então a tensão na saída se iguala à tensão de entrada subtraindo a queda de tensão no diodo (VO = Vi − 0, 7V )
- Semi-ciclo negativo do sinal de entrada - Nesse intervalo a tensão de entrada é
inferior a 0V, logo, o diodo se encontrará bloqueado. A tensão na saída é nula e a tensão sobre o diodo é igual à tensão de entrada.
Observando novamente a figura, verificamos que o retificador bloqueou a tensão negativa do sinal de entrada, deixando que a carga recebesse apenas a parcela positiva desse sinal. Desta forma, o retificador faz com que um valor médio seja percebido pela carga.
Isto significa que o sinal de saída VO possui uma parcela alternada e uma parcela contínua, enquanto que o sinal de entrada é puramente alternado (valor médio nulo).
Por esse motivo o retificador também é conhecido como conversor CA/CC.
Essa função de conversão CA/CC é muito importante em sistemas eletrônicos, uma vez que a energia elétrica gerada e distribuída no mundo ainda se apresenta no formato alternado e as fontes de alimentação da grande maioria do equipamentos eletrônicos devem estar na forma contínua. Assim sendo, conhecer o valor do nível c.c. aplicado à carga em sistemas retificadores é muito importante. Esse valor pode ser encontrado ao se calcular o valor médio do sinal de saída. A resolução do valor médio para a forma de onda em questão não está no escopo deste texto, de modo que apenas o resultado será apresentado. Considerando uma tensão senoidal, o valor médio visto pela carga em um retificador de meia-onda será:
V O = Vm − 0, 7V π = 0, 318(Vm − 0, 7V ) (4.11) A Figura 4.21 ilustra a representação do valor médio em relação ao sinal de saída do retificador. Figura 4.21: Forma de onda do sinal de sa__da do Retificador de meia-onda e representação do valor m_edio. Essa tensão contínua irá provocar sobre a carga uma corrente também contínua, o seu valor pode ser encontrado ao dividirmos (4.15) pelo valor da resistência de carga:
61
Eletr^onica Geral ID = 0, 318(Vm − 0, 7V ) R (4.12) Considerando que a parcela contínua do sinal de saída é o termo de maior interesse em fontes de alimentação, a parcela alternada se torna algo indesejado. Neste caso tratamos a parcela alternada pelo nome de ripple1. No caso apresentado, o valor de pico-a-pico do ripple é: ΔVO = Vm − 0, 7V (4.13) Retificador com transformador Ao tratarmos de fontes de alimentação, a tensão de entrada se torna a tensão elétrica fornecida pelas concessionárias de energia na rede de distribuição. Nas residências brasileiras essa tensão se apresenta nas magnitudes 127Vrms/ 220Vrms e com frequência de 60Hz. Nota-se portanto que não poderíamos, com o circuito retificador apresentado acima, produzir uma tensão c.c. qualquer, uma vez que esta dependeria do valor de pico do sinal de rede, o qual é fixo. Para resolver esse problema utilizamos um componente eletromagn ético chamado de transformador. O transformador é composto por duas bobinas dispostas em um mesmo núcleo ferromagnético2, como ilustra a Figura 4.22. Figura 4.22: S__mbolo de um transformador ideal. Os pontos presentes sobre as bobinas do primário e do secundário indicam a polaridade de cada bobina. O termos NP e NS significam o número de espiras (voltas) do primário e do secundário, respectivamente. A relação entre as tensões e as correntes nas duas bobinas é mostrada a seguir: NP NS = VP VS = IS IP (4.14) Ou seja, dependendo da relação entre as espiras do primário e do secundário, podemos elevar ou abaixar o valor da tensão na saída do transformador e assim alterar o valor 1Ripple _e um termo ingl^es que significa oscilação. Logo, ao tratarmos a parcela alternada de um sinal como ripple estamos dizendo que ela _e uma oscilaçãoque existe entorno de uma parcela contínua. 2Transformadores de baixa frequ^encia utilizam n_ucleo de a_co-sil__cio, j_a transformadores de altafrequ^ encia utilizam n_ucleo cer^amicos como o ferrite e o permalloy.
62
Eletr^onica Geral da tensão retificada. Um retificador de meia-onda com transformador é apresentado na Figura 4.23. Figura 4.23: Retificador de meia-onda com transformador. Neste circuito a tensão da rede (VRede) é aplicada ao primário e a tensão Vi (entrada do retificador) é a tensão do secundário. A análise feita anteriormente é a mesma, a única modificação está relacionada com o valor de pico da tensão de entrada do retificador que agora é: Vi = VRede NS NP (4.15) Exemplo: Se VRede é a tensão de rede (127Vrms = 180Vpico) e utilizamos um transformador de 100 espiras no primário e 10 espiras no secundário, de modo que NP NS = 10, qual o valor de pico do sinal de entrada do retificador de meia-onda e quais são os seus valores característicos: Valor de Vi → Vi = 180V ÷ 10 = 18Vpico; Valor de V O → V O = 0, 318 ∗ (18 − 0, 7) = 5, 51V ; Valor de ΔVO → ΔVO = 18 − 0, 7 = 17, 3V ; Valor de TPI → TPI = 18V. 4.3.2 Retificador de Onda Completa O circuito retificador de meia-onda não utiliza a energia contida no semi-ciclo negativo do sinal de entrada. Para se aproveitar essa parcela de energia utilizamos uma configura ção de onda-completa, onde retificamos os dois semi-ciclos. Existem duas topologias de retificador de onda-completa: a topologia em ponte e a topologia com tap-central. 4.3.2.1 Retificador em Ponte A Figura 4.24 mostra o diagrama básico de um retificador em ponte.
63
Eletr^onica Geral Figura 4.24: Retificador de onda-completa em ponte com transformador. Este circuito possui duas etapas de funcionamento: uma durante o semi-ciclo positivo do sinal de entrada, e outra durante o semi-ciclo negativo. Em cada situação uma dupla de diodos está em condução. A Figura 4.25 ilustra as duas etapas de funcionamento, explicitando quais diodos encontram-se em condução em cada uma delas e as polaridades das tensões e correntes no circuito. Figura 4.25: Etapas de funcionamento de um Retificador de onda completa em ponte. Observa-se que em ambas as etapas a corrente na carga (IR) é sempre positiva, logo, existirá também uma tensão positiva sobre a carga. As formas de onda de tensão envolvidas no circuito são mostradas na Figura 4.26. Nota-se a presença de um segundo lóbulo na tensão de saída do circuito, esse segundo lóbulo praticamente dobra o valor da tensão contínua sobre a carga. Constata-se também que, como existem dois diodos no caminho da corrente, a queda de tensão total que incide sobre a tensão de entrada é de 1,4V, ou seja, VO = |Vm − 1, 4V |. A TPI também é levemente menor do que a observada no retificador de meia-onda. O valor médio resultante é: V O = 2 π (Vm − 1, 4V ) = 0, 637(Vm − 1, 4V ) (4.16) A corrente na carga é: IR = 0, 637 Vm − 1, 4V R (4.17) A corrente média em cada diodo é: ID1 = 0, 318 Vm − 1, 4V R = IR 2 (4.18)
64
Eletr^onica Geral Figura 4.26: Formas de onda de tensão em um Retificador de onda completa em ponte Nota-se que a corrente no diodo é inferior à corrente na carga, isso porque cada diodo conduz apenas meio ciclo da corrente. A Figura 4.27 ilustra as formas de onda das correntes na carga, nos diodos D1 e D2 e a corrente fornecida pela rede (IS). OBS: em um Retificador de meia-onda todas essas correntes são iguais. Figura 4.27: Formas de onda de corrente em um Retificador de onda completa em ponte
65
Eletr^onica Geral 4.3.2.2 Retificador com Tap-central Figura 4.28: Retificador onda-completa com tap-central A Figura 4.28 mostra o diagrama de um retificador onda completa com tap-central. Esse retificador usa obrigatoriamente um transformador com dois enrolamentos secundários. A tensão em cada enrolamento é a metade da tensão total do secundário. Assim como o retificador em ponte, este circuito também possui duas etapas de operação, ilustradas na Figura 4.29. Figura 4.29: Etapas de funcionamento de um Retificador onda-completa com tap-central Nota-se que o retificador de onda completa com tap-central se equivale a dois retificadores de meia-onda operando de forma complementar, ou seja, em cada semi-ciclo um retificador de meia-onda irá atuar. As formas de onda obtidas com esse circuito são muito semelhantes às verificadas no retificador de onda completa em ponte, no entanto, a magnitude das tensões sobre alguma variação. Note que para uma mesma relação de espiras, o retificador com tap central apresenta uma tensão contínua menor na saída. Logo, para que ambas as topologias apresentem o mesmo valor de tensão na saída, é necessário que a relação de espiras do transformador com tap-central seja o dobro da de um retificador em ponte. Nesta situação a TPI sobre os diodos de um retificador com tap-central será o dobro da TPI de um retificador em ponte! 4.44.3 Retificadores para fontes de alimentação 4.3.1 Retificador de Meia-Onda O circuito básico de um retificador monofásico de meia-onda é mostrado na Figura 4.18. Figura 4.18: Con_guraçãob_asica de um Retificador de meia-onda. Onde: Vi é a tensão senoidal de entrada. Vi = Vmsen(2πft); VO é a tensão de saída; VD é a tensão sobre o diodo do retificador; ID é a corrente que circula pelo diodo e a carga; R é a carga do circuito. Observa-se que o circuito de um retificador de meia-onda se assemelha ao circuito apresentado na Figura 3.1. Naquele circuito mostramos que o diodo estaria em condução sempre que a tensão da fonte fosse superior à tensão de limiar do diodo (0,7V para o silício). Para o circuito em c.a., essa condição se mantém, no entanto, como a tensão de entrada varia com o tempo, haverá regiões de condução e de bloqueio do diodo. Essas regiões estão sintetizadas na Figura 4.19. Figura 4.19: Regiões de operaçãodo diodo em um Retificador de meia onda. Pela lei de kirchhoff das tensões, temos que a equação da malha será:
59
Eletr^onica Geral Vi − VD − R • ID = 0 (4.9) Considerando as regiões de operação mostradas na Figura 4.19, podemos calcular os valores das grandezas elétricas do circuito: Vi ≥ 0, 7V VD = 0, 7V ID = Vi ÷ R VO = Vi − 0, 7V Vi < 0, 7V VD = Vi ID = 0A VO = 0V (4.10) A partir das equações acima, podemos traçar as formas de onda das tensões no circuito do retificador de meia-onda. Estas formas de onda são apresentadas na Figura 4.20. Figura 4.20: Formas de onda de um circuito Retificador de meia-onda durante um per__odo do sinal de entrada. A tensão de pico reversa (ou TPI - Tensão de pico inversa) é o valor máximo negativo atingido pela tensão sobre o diodo do retificador. Ao se escolher um diodo retificador é importante observar se a tensão de ruptura, ou avalanche, desse diodo é superior à TPI do circuito. Observando as formas de onda apresentadas na figura podemos identificar duas regiões de operação no circuito retificador de meia-onda:
60
Eletr^onica Geral • Semi-ciclo positivo do sinal de entrada - Enquanto a tensão de entrada é inferior à tensão limiar do diodo, não há condução. Quando a tensão de entrada é superior à tensão limiar, o diodo entra em condução, então a tensão na saída se iguala à tensão de entrada subtraindo a queda de tensão no diodo (VO = Vi − 0, 7V ) • Semi-ciclo negativo do sinal de entrada - Nesse intervalo a tensão de entrada é inferior a 0V, logo, o diodo se encontrará bloqueado. A tensão na saída é nula e a tensão sobre o diodo é igual à tensão de entrada. Observando novamente a figura, verificamos que o retificador bloqueou a tensão negativa do sinal de entrada, deixando que a carga recebesse apenas a parcela positiva desse sinal. Desta forma, o retificador faz com que um valor médio seja percebido pela carga. Isto significa que o sinal de saída VO possui uma parcela alternada e uma parcela contínua, enquanto que o sinal de entrada é puramente alternado (valor médio nulo). Por esse motivo o retificador também é conhecido como conversor CA/CC. Essa função de conversão CA/CC é muito importante em sistemas eletrônicos, uma vez que a energia elétrica gerada e distribuída no mundo ainda se apresenta no formato alternado e as fontes de alimentação da grande maioria do equipamentos eletrônicos devem estar na forma contínua. Assim sendo, conhecer o valor do nível c.c. aplicado à carga em sistemas retificadores é muito importante. Esse valor pode ser encontrado ao se calcular o valor médio do sinal de saída. A resolução do valor médio para a forma de onda em questão não está no escopo deste texto, de modo que apenas o resultado será apresentado. Considerando uma tensão senoidal, o valor médio visto pela carga em um retificador de meia-onda será: V O = Vm − 0, 7V π = 0, 318(Vm − 0, 7V ) (4.11) A Figura 4.21 ilustra a representação do valor médio em relação ao sinal de saída do retificador. Figura 4.21: Forma de onda do sinal de sa__da do Retificador de meia-onda e representação do valor m_edio. Essa tensão contínua irá provocar sobre a carga uma corrente também contínua, o seu valor pode ser encontrado ao dividirmos (4.15) pelo valor da resistência de carga:
61
Eletr^onica Geral ID = 0, 318(Vm − 0, 7V ) R (4.12) Considerando que a parcela contínua do sinal de saída é o termo de maior interesse em fontes de alimentação, a parcela alternada se torna algo indesejado. Neste caso tratamos a parcela alternada pelo nome de ripple1. No caso apresentado, o valor de pico-a-pico do ripple é: ΔVO = Vm − 0, 7V (4.13) Retificador com transformador Ao tratarmos de fontes de alimentação, a tensão de entrada se torna a tensão elétrica fornecida pelas concessionárias de energia na rede de distribuição. Nas residências brasileiras essa tensão se apresenta nas magnitudes 127Vrms/ 220Vrms e com frequência de 60Hz. Nota-se portanto que não poderíamos, com o circuito retificador apresentado acima, produzir uma tensão c.c. qualquer, uma vez que esta dependeria do valor de pico do sinal de rede, o qual é fixo. Para resolver esse problema utilizamos um componente eletromagn ético chamado de transformador. O transformador é composto por duas bobinas dispostas em um mesmo núcleo ferromagnético2, como ilustra a Figura 4.22. Figura 4.22: S__mbolo de um transformador ideal. Os pontos presentes sobre as bobinas do primário e do secundário indicam a polaridade de cada bobina. O termos NP e NS significam o número de espiras (voltas) do primário e do secundário, respectivamente. A relação entre as tensões e as correntes nas duas bobinas é mostrada a seguir: NP NS = VP VS = IS IP (4.14) Ou seja, dependendo da relação entre as espiras do primário e do secundário, podemos elevar ou abaixar o valor da tensão na saída do transformador e assim alterar o valor 1Ripple _e um termo ingl^es que significa oscilação. Logo, ao tratarmos a parcela alternada de um sinal como ripple estamos dizendo que ela _e uma oscilaçãoque existe entorno de uma parcela contínua. 2Transformadores de baixa frequ^encia utilizam n_ucleo de a_co-sil__cio, j_a transformadores de altafrequ^ encia utilizam n_ucleo cer^amicos como o ferrite e o permalloy.
62
Eletr^onica Geral da tensão retificada. Um retificador de meia-onda com transformador é apresentado na Figura 4.23. Figura 4.23: Retificador de meia-onda com transformador. Neste circuito a tensão da rede (VRede) é aplicada ao primário e a tensão Vi (entrada do retificador) é a tensão do secundário. A análise feita anteriormente é a mesma, a única modificação está relacionada com o valor de pico da tensão de entrada do retificador que agora é: Vi = VRede NS NP (4.15) Exemplo: Se VRede é a tensão de rede (127Vrms = 180Vpico) e utilizamos um transformador de 100 espiras no primário e 10 espiras no secundário, de modo que NP NS = 10, qual o valor de pico do sinal de entrada do retificador de meia-onda e quais são os seus valores característicos: Valor de Vi → Vi = 180V ÷ 10 = 18Vpico; Valor de V O → V O = 0, 318 ∗ (18 − 0, 7) = 5, 51V ; Valor de ΔVO → ΔVO = 18 − 0, 7 = 17, 3V ; Valor de TPI → TPI = 18V. 4.3.2 Retificador de Onda Completa O circuito retificador de meia-onda não utiliza a energia contida no semi-ciclo negativo do sinal de entrada. Para se aproveitar essa parcela de energia utilizamos uma configura ção de onda-completa, onde retificamos os dois semi-ciclos. Existem duas topologias de retificador de onda-completa: a topologia em ponte e a topologia com tap-central. 4.3.2.1 Retificador em Ponte A Figura 4.24 mostra o diagrama básico de um retificador em ponte.
63
Eletr^onica Geral Figura 4.24: Retificador de onda-completa em ponte com transformador. Este circuito possui duas etapas de funcionamento: uma durante o semi-ciclo positivo do sinal de entrada, e outra durante o semi-ciclo negativo. Em cada situação uma dupla de diodos está em condução. A Figura 4.25 ilustra as duas etapas de funcionamento, explicitando quais diodos encontram-se em condução em cada uma delas e as polaridades das tensões e correntes no circuito. Figura 4.25: Etapas de funcionamento de um Retificador de onda completa em ponte. Observa-se que em ambas as etapas a corrente na carga (IR) é sempre positiva, logo, existirá também uma tensão positiva sobre a carga. As formas de onda de tensão envolvidas no circuito são mostradas na Figura 4.26. Nota-se a presença de um segundo lóbulo na tensão de saída do circuito, esse segundo lóbulo praticamente dobra o valor da tensão contínua sobre a carga. Constata-se também que, como existem dois diodos no caminho da corrente, a queda de tensão total que incide sobre a tensão de entrada é de 1,4V, ou seja, VO = |Vm − 1, 4V |. A TPI também é levemente menor do que a observada no retificador de meia-onda. O valor médio resultante é: V O = 2 π (Vm − 1, 4V ) = 0, 637(Vm − 1, 4V ) (4.16) A corrente na carga é: IR = 0, 637 Vm − 1, 4V R (4.17) A corrente média em cada diodo é: ID1 = 0, 318 Vm − 1, 4V R = IR 2 (4.18)
64
Eletr^onica Geral Figura 4.26: Formas de onda de tensão em um Retificador de onda completa em ponte Nota-se que a corrente no diodo é inferior à corrente na carga, isso porque cada diodo conduz apenas meio ciclo da corrente. A Figura 4.27 ilustra as formas de onda das correntes na carga, nos diodos D1 e D2 e a corrente fornecida pela rede (IS). OBS: em um Retificador de meia-onda todas essas correntes são iguais. Figura 4.27: Formas de onda de corrente em um Retificador de onda completa em ponte
65
Eletr^onica Geral 4.3.2.2 Retificador com Tap-central Figura 4.28: Retificador onda-completa com tap-central A Figura 4.28 mostra o diagrama de um retificador onda completa com tap-central. Esse retificador usa obrigatoriamente um transformador com dois enrolamentos secundários. A tensão em cada enrolamento é a metade da tensão total do secundário. Assim como o retificador em ponte, este circuito também possui duas etapas de operação, ilustradas na Figura 4.29. Figura 4.29: Etapas de funcionamento de um Retificador onda-completa com tap-central Nota-se que o retificador de onda completa com tap-central se equivale a dois retificadores de meia-onda operando de forma complementar, ou seja, em cada semi-ciclo um retificador de meia-onda irá atuar. As formas de onda obtidas com esse circuito são muito semelhantes às verificadas no retificador de onda completa em ponte, no entanto, a magnitude das tensões sobre alguma variação. Note que para uma mesma relação de espiras, o retificador com tap central apresenta uma tensão contínua menor na saída. Logo, para que ambas as topologias apresentem o mesmo valor de tensão na saída, é necessário que a relação de espiras do transformador com tap-central seja o dobro da de um retificador em ponte. Nesta situação a TPI sobre os diodos de um retificador com tap-central será o dobro da TPI de um retificador em ponte!
| << Circuitos com diodos | AULA 4 - Circuitos Retificadores | Filtros capacitivos e componentes>> |
|---|














