AULA 7 - Eletrônica Geral 1 - Técnico
Especificação de reguladores
Um regulador de tensão é um dispositivo, geralmente formado por semicondutores, tais como Diodo zener e circuitos integrados reguladores de tensão, que têm por finalidade a manutenção da tensão de saída de um circuito elétrico.
Sua função principal é manter a tensão produzida pelo gerador/alternador dentro dos limites exigidos pela bateria ou sistema elétrico que está alimentando.
Um regulador de tensão é incapaz de gerar energia. A tensão de entrada deve ser sempre superior à sua tensão de regulagem nominal. Por exemplo: Se ele estiver sendo utilizado em um motor de automóvel, deverá manter a saída para o veiculo entre 13,5 e 14,5 volts, sendo um valor normal 14,0 volts. No caso de aumento de tensão na fonte geradora (o alternador, no caso de um regulador de tensão automotivo) a tensão excedente poderia queimar as lâmpadas do sistema ou danificar outros equipamentos como autorádios e até mesmo a central eletrônica de injeção de combustível. No entanto, se tensão entrante se tornar inferior à tensão nominal do regulador, este permite a passagem da corrente mas perde a função reguladora, pois esta suas capacidades se restringem à manter regulada apenas as tensões de pico.
Equivocadamente, alguns imaginam que o regulador de tensão efetua suas funções em tensões entrantes acima e abaixo de sua tensão nominal, porém os reguladores são eficazes apenas quando a tensão de entrada é superior à sua tensão de regulagem. Em um automóvel, o regulador mantém a tensão máxima dentro dos limites estabelecidos por cada fabricante para alimentação de todo o circuito. Deste modo, se o alternador ou a bateria passarem a fornecer uma tensão superior à suportada pelo circuito eletro-eletrônico do veículo, o regulador faz a devida redução desta tensão para dentro dos valores aceitáveis. No entanto, se a bateria ou o alternador enviarem ao circuito uma tensão inferior ao valor de regulagem do regulador, este permite a passagem da tensão no mesmo valor de sua origem. Este fenômeno se percebe tanto em veículos como em aparelhos eletrônicos. A fonte de alimentação de um computador possui reguladores de tensão (em forma de complexos circuitos eletrônicos) que atuam mantendo faixas constantes de tensão para o computador, não importando se a tensão de entrada for 110 Volts ou 220 Volts. Esta faixa de tensão é aceitável para a entrada do regulador manter em sua saída as tensões desejadas. No entanto, se na rede elétrica houver uma queda parcial de energia (para 60 Volts, por exemplo) o regulador será incapaz de gerar a tensão faltante para manter o circuito alimentado plenamente energizado, e o computador irá se desligar.
As grandezas que envolvem um regulador de tensão, seja ele automotivo ou eletrônico são:
Tensão de Saída
É a tensão, ou faixa de tensões, que um regulador fornece em sua saída se a tensão de entrada estiver dentro dos parâmetros aceitáveis. Os reguladores de tensão lineares possuem uma tensão da saída nominal fixa, com uma margem de variação inferior a 5%.
Faixa de tensões de entrada
Deve-se considerar a tensão mínima de entrada (Input Voltage (Min)) e tensão máxima de entrada (Input Voltage (Max)).
Tipicamente a tensão mínima de entrada deve ser 1,2 Volts superior à tensão de saída, e a tensão máxima de entrada depende de características de cada tipo de regulador. O Regulador de Tensão 7812, com saída estabilizada em 12 Volts, tem sua tensão mínima de entrada estabelecida em 14,5 Volts e tensão máxima de entrada de 30 Volts.
Corrente Elétrica máxima
Como ocorre em qualquer circuito elétrico, os reguladores de tensão tem limites de corrente elétrica que podem circular em suas junções. Os reguladores de tensão da família 78XX operam com corrente máxima de 1 Ampére. Já os reguladores de tensão automotivos são desenhados para correntes da ordem de dezenas de ampéres.
Potência máxima
O projeto de um regulador de tensão prevê sua potência máxima através da fórmula de cálculo da Potência Elétrica:
Uso em fontes de CC
Os reguladores são especialmente utilizados em fontes de tensão corrente contínua, com saída regulada.
A figura abaixo descrevem os blocos de fontes similares:
Pode-se observar que o regulador é quem mantém a tensão de saída constante (estabilizada), mesmo havendo variações e ripple na tensão de entrada.
Os reguladores de tensão podem ser implementados com componentes discretos, ou obtidos na forma de CIs, os quais são mais precisos e tornam o circuito mais compacto.
Séries 78XX e 79XX
Os reguladores das famílias 78 e 79 são chamados de Reguladores de tensão fixa.
Os reguladores de tensão na forma de circuitos integrados de três terminais são quase que obrigatórios em projetos de fontes de alimentação para circuitos de pequena e média potência. Os tipos da série 7800 que podem fornecer tensões de 5 a 24 volts tipicamente com corrente de 1 ampère são extremamente atraentes para projetos.
A família 78xx é utilizada para tensões positivas, onde xx é o valor nominal da tensão daquele regulador; e a família 79xx é utilizada para tensões negativas.
A tensão mínima de entrada deve ser aproximadamente 3V acima da tensão de saída.
Máxima potência dissipada: 15W.
Obs: se a potência dissipada for maior que 1W, já deve-se utilizar um dissipador de calor acoplado no CI do regulador.
Exemplos de uso:
Conversor de 12V para 5V
RL é a resistência de carga, ou o circuito que está sendo alimentado com os 5V da saída.
Os capacitores C1 e C2 têm por função eliminar ruídos de RF e dão maior estabilidade à tensão de saída.
Para o capacitor eletrolítico de filtro é praxe usar pelo menos 1 000 µF para cada ampère de corrente desejado na fonte.
A tensão de trabalho desse capacitor deve ser pelo menos 60% maior que a tensão RMS do secundário do transformador usado.
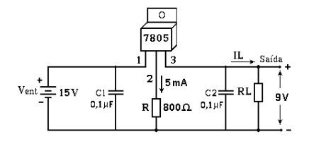
Fonte regulada de +9V
Ligando-se um resistor R em série com o pino 2 do regulador 7805, é possível obter-se uma tensão regulada de saída maior que 5V, porque a corrente de saída no pino 2 é constante e igual a 5mA.
Assim:
V saida = 5V + VR
V saida = 5V + 800 . 5mA
=> V saida = 5V + 4V = 9V
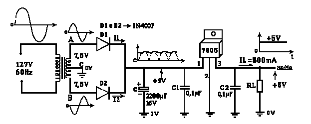
Fonte regulada de +5V
O transformador abaixa a tensão alternada de 127V (rede elétrica) para 7,5V.
Os diodos retificam esta tensão alternada de 7,5V.
A saída dos diodos é uma tensão contínua pulsante.
O capacitor C de 2.200 microFarad filtra esta tensão pulsante e a torna mais próxima de uma tensão contínua.
O regulador de tensão 7805 estabiliza a tensão de saída em 5V.
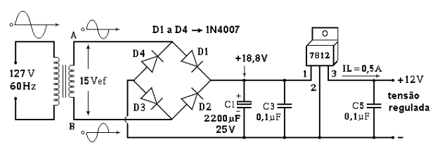
Para uma tensão de +12V na saída, troque o 7805 pelo 7812 e utilize o retificador em ponte, como mostrado abaixo:
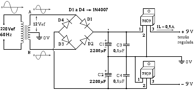
Fonte simétrica com tensão de saída regulada
Reguladores variáveis
São reguladores positivos com tensão de saída ajustável de 1,2 V a 37 V, e capacidade máxima de corrente de 1,5 A, utilizando-se um dissipador de calor.
As tensões de entrada e saída relacionam-se de acordo com a seguinte expressão:
3V < V entrada − V saída < 40V
Estes reguladores fornecem uma tensão de referência de 1,25V entre os terminais OUT e ADJ.
Os CIs mais utilizados são o LM117 e o LM317.
Os circuitos integrados LM317 (1,5 A) e LM350 (3 A) são reguladores de tensão de 3 terminais ajustáveis que podem fornecer tensões de saída de 1,25 a 37 V.
O LM317 tem uma versão com sufixo HV que pode fornecer tensões até 57 V.
Usando esses componentes podemos elaborar fontes de alimentação ajustáveis com um mínimo de componentes externos.
Os dois circuitos integrados são disponíveis tanto em invólucros TO-220 (plástico) como TO-3 metálico.
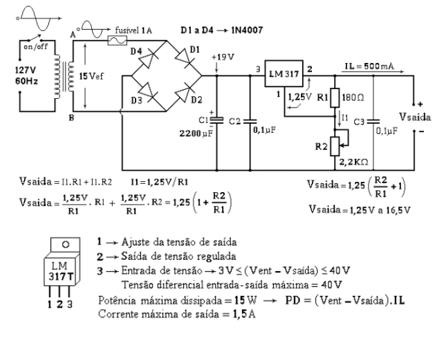
Regulador de tensão com saída ajustável LM317:
O CI LM317 é o mais popular dos CI’s reguladores de tensão, o CI LM317M foi construído para fontes ajustáveis com corrente de saída máxima de 500 mA e tensão de saída ajustável entre 1,2 V e 37 V.
Este componente é simples de usar: bastam dois resistores externos ao CI para ajustar a tensão de saída!
Circuito típico:
Ainda possui proteção interna contra curto circuito e proteção contra sobre aquecimento o que torna este CI prático e difícil de queimar!
O CI LM317 tem uma vasta aplicação.
Este CI pode ser usado como fonte fixa, onde a tensão de saída foge ao padrão dos CI’s com tensão fixa.
Outra aplicação é em fonte onde a tensão de saída tem que ser ajustada na fábrica ou ainda em fontes de alimentação onde a saída deva ser ajustada pelo operador, como é o caso das fontes de tensão usada em laboratório de eletrônica!
O encapsulamento deste tipo de CI é mostrado abaixo, note que a pinagem é bem diferente da pinagem dos CI’s de tensão fixa, você deve prestar atenção para não errar a conexão.
Para implementar uma fonte de alimentação variável com esses circuitos integrados, basta colocar um divisor resistivo variável entre a saída e o terminal de ajuste.
Como o diodo zener de referência interna é de 1,25 V essa é a tensão mínima que obtemos.
Tensões maiores serão obtidas quando o divisor resistivo somar a sua tensão a esse diodo.
Para uma fonte regulável, basta substituir o R2 por um potenciômetro.
Neste tipo de CI não tem o pino de terra e sim o pino de ajuste (ADJ - Adjust)!
Outro detalhe importante é que o pino 2 de saída está eletricamente conectado ao dissipador de calor!
Fonte regulada e ajustável de 1,25V a 16,5V
Regulador de tensão com saída ajustável LM337:
Encapsulamento e pinagem:


















