Solução Exercícios Circuitos Aritméticos
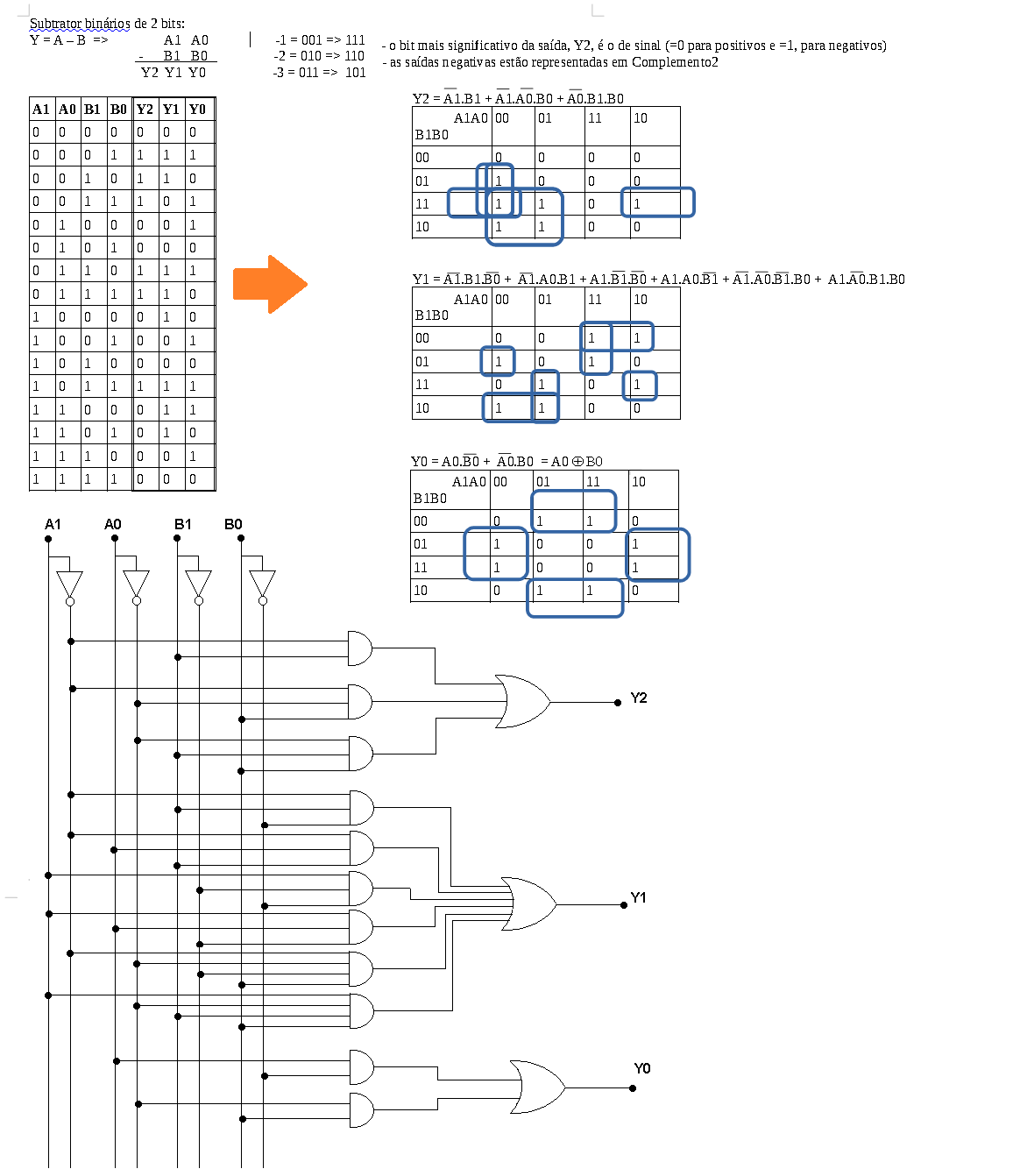
1) Questão: Elabore um módulo subtrator de 2 números binários de 2 bits, a partir da TV.
2) Questão: Elabore um módulo subtrator de 2 números binários de 4 bits, usando blocos de subtrator completo.
Então:
3) Questão: Elabore um módulo somador que efetue a adição de 3 números de 2 bits, usando blocos somadores completos e meio somadores.
4) Questão: Projete um circuito lógico meio somador/meio subtrator. Adote: M=0 ⇒ meio somador M=1 ⇒ meio subtrator
5) Esquematize, em blocos, um sistema somador/subtrator completo para 2 números de 4 bits.
6) Utilizando blocos de somadores completos, elabore um sistema subtrator para 2 números de 2 bits.
7) Obtenha um circuito somador completo usando 2 blocos meio somadores e porta lógica OU.
8) Obtenha um circuito subtrator completo usando 2 blocos meio subtratores e porta lógica OU.
9) Em um a ULA 74181, são estabelecidos para as entradas A3A2A1A0 = 1010 e B3B2B1B0 = 0111. Monte uma tabela com os valores a serem obtidos, simulando todas as entradas de controle Cn, M e S3S2S1S0






