AULA 14 - Eletrônica Digital 1 - Graduação
Codificadores
Como o próprio nome diz, são circuitos que “traduzem” o código binário utilizado nas portas lógicas, para outras “linguagens”, ou códigos.
Os CODIFICADORES traduzem códigos para numeração binária.
Os DECODIFICADORES fazem o inverso: “traduzem” o código binário para outro tipo de código.
Normalmente são utilizados para apresentar os valores (binários) em uma forma que O USUÁRIO possa compreender, e vice-versa.
Também são usados para adaptar diferentes códigos usados em um circuito, para linguagens, protocolos ou códigos que outros circuitos e dispositivos utilizem.
Existem dezenas de codificadores e decodificadores comerciais.
Os mais comuns são:
- BCD (8421)
- Excesso 3
- Gray
- 2 entre 5
- Johnson
- Octal
- Hexadecimal
- Binário (BCH)
- Decimal
- ASCII
- Paridade
- etc
Codificador BCD
"Binary-Coded Decimal", ou seja, decimal codificado em binário.
Não se trata de converter um número decimal para a base binária, mas sim que, cada um dos 10 dígitos decimais (0 a 9) vão ser codificados em seus correspondentes binários, para compor os números na base decimal!!!
Note que, apesar de termos 9 entradas, não temos as 2^9 = 512 linhas na TV, porque cada uma das 9 entradas só pode ser ativada uma de cada vez = 9 estados + nenhuma entrada ativada = 10 linhas!
As entradas inválidas, então, não vão resultar em saídas válidas => IRRELEVANTES (X)!
Para efeitos de projeto de circuito, é necessário utilizar todas as linhas, então os estados irrelevantes são marcados como X na TV e no MK, e assumidos como “0”, ou “1”, o que for mais conveniente.
Para exemplificar, vamos ver o caso do codificador BCD 3x2, cujo circuito é muito mais simples:
Codificadores BCD 8421 comerciais mais utilizados:
Codificadores permitem chaveamento de muitas entradas, em pouquíssimas saídas.
Ex: teclado de computador que tem 105 teclas > codificadas em apenas 7 fios/vias (permite até 128 entradas!!!)
Código Excesso 3
Transformação do número decimal no binário correspondente, somando-se 3 unidades
010 = 0000 somando-se 3 temos 0011
Código Gray
De um número a outro, apenas um bit varia
(de)Codificador Binário para Gray
Converte palavra de 4 bits em código Gray:
Decodificadores
Executam a função oposta a dos codificadores.
Permitem traduzir o código binário para outros códigos que homens ou máquinas compreendam.
Exemplo:
DECODIFICADORES DE n PARA 2^n LINHAS
“Aciona”, “ativa”, apenas uma das saídas, dependendo da entrada binária (ativo baixo):
Valor binário de 2 bits na entrada coloca em nível baixo apenas uma das 4 saídas (74139):
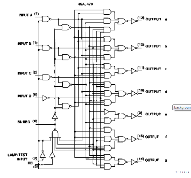
DECODIFICADOR BCD de 7 segmentos
Converte entrada BCD para acionar mostrador de 7 segmentos (led´s ou cristal líquido). Cada segmento é um led utilizado para formar os dígitos:
As correntes nos segmentos variam tipicamente entre 10 e 50 mA → consumo máximo com o dígito oito (todos os segmentos acesos) 400 mA por dígito.
Displays LCD são muito mais caros, porém nestes o consumo é muito menor.
Modelos comerciais:
TTL:
- 7446-47-48-49,
- 74142,
- etc
CMOS: 4511
Exercícios
- Projete um conversor de código que aceite como entrada a representação BCD de um dígito decimal e, como saídas, linhas que acionem os segmentos apropriados de um display de sete segmentos (catodo comum) que mostre o dígito decimal que aparece na entrada.
- Faça o projeto de um circuito para, a partir de um código binário, escrever a seqüência do sistema hexadecimal em um display de 7 segmentos anodo comum.
- Números BCD são aplicados sequencialmente no decodificador de BCD para decimal conforme a figura abaixo. Desenhe o diagrama de temporização mostrando cada saída devidamente relacionada com as outras e com as entradas.
- Um decodificador/ driver de 7 segmentos aciona um display conforme mostra a figura abaixo. Se as formas de onda são aplicadas conforme indicado, determine a sequência de dígitos que aparecem no display.
- Elabore um decodificador 3 para 8 onde, conforme as combinações entre as entradas, uma entre as oito saídas é ativada em nível 1.
- Elabore um decodificador 4 para 16 onde, conforme as combinações entre as entradas, uma entre as dezesseis saídas é ativada em nível 1.
Multiplexadores e Demultiplexadores
No nosso dia a dia lidamos com vários sistemas que utilizam multiplexadores e demultiplexadores, o mais comum deles e o aparelho de som de nossa residência, em uma chave seletora, selecionamos qual fonte sonora a qual utilizaremos (Vinil, CD, Tape, Radio, MD, etc.).
A chave seletora então especifica qual o canal de comunicação que será utilizado, conhecida também como via de dados, e assim, esta informação será amplificada e transmitida para os auto-falantes. Assim de uma maneira geral, o MUX, seleciona um entre vários sinais de entrada e o envia para a saída.
Um multiplexador digital ou seletor de dados é um circuito lógico que aceita diversos dados digitais de entrada e seleciona um deles, em um certo instante, para a saída. O roteamento do sinal de entrada desejado para a saída é controlado pelas entradas de SELEÇÃO (conhecidas também como ENDEREÇOS).
O multiplexador atua como uma chave digital controlada de várias posições, onde o código digital aplicado nas entradas de SELEÇÃO controla qual será a entrada de dados chaveada para a saída.
Por exemplo, a saída será igual à entrada de dados I0 para um determinado código de SELEÇÃO; e
assim será igual a I1 para um outro determinado código de SELEÇÃO ; e assim por diante. Em outras
palavras, um multiplexador seleciona 1 entre N dados de entrada e transmite o dado selecionado para
um único canal de saída. Isto é chamado de multiplexação.
Uma outra aplicação para um multiplexador seria utilizá-lo como um conversor paralelo-série um vez que o seu princípio de funcionamento se adequa a tal finalidade.
Um multiplexador recebe várias entradas e transmite uma delas para a saída.
Um demultiplexador (DEMUX) realiza a operação inversa: ele recebe uma única entrada e a distribui por várias saídas.
Assim como no multiplexador, o código de SELEÇÃO de entrada determina para qual saída a entrada
de DADOS será transmitida. Em outras palavras,o demultiplexador recebe uma fonte de dados e
seletivamente a distribui para 1 entre N saídas, como se fosse uma chave de varias posições.
As aplicações desses dispositivos são inúmeras, desde de telecomunicações (como as famosas rotinas TDMA e CDMA), sistemas de segurança, computacionais até sistemas mais complexos.
Para todas as essas aplicações os dois dispositivos devem ser previamente sincronizados para que as entradas serem as mesmas nas saídas.
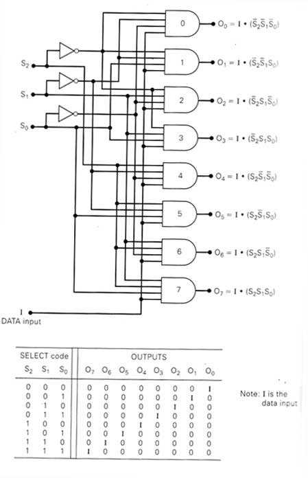
MUX 4x1
MUX 8x1
Modelos comerciais
TTL 74151 - MUX de 16 canais
TTL 74153 - dual MUX de 4 canais
DEMUX 1x4
DEMUX 1x8
Modelos comerciais
TTL 74138 - DEMUX de 8 canais
TTL 74139 - dual DEMUX de 4 canais
Associação de MUX/DEMUX
Os mux e demux são modulares, isto é, permitem associações que aumentam o número de canais.
Os Multiplexadores podem ser encontrados prontos em circuitos integrados comerciais, mas o número de entradas é limitado em cada circuito devido ao tamanho e número de terminais de conexão.
Quando se necessita de um MUX com uma quantidade de canais de entrada maior do que os encontrados comercialmente em um circuito integrado, ou quando é necessário multiplexar mais de um canal de saída simultaneamente, basta fazer a associação conveniente de vários multiplexadores de forma a ampliar o número de canais de entrada ou o número de canais de saída.
Associação Série de Multiplexadores
Esta associação é uma forma de se ampliar a capacidade dos canais de entrada, e para tal, basta multiplexar as saídas de mais de um MUX de entrada através de um MUX de saída.
No exemplo abaixo, deseja-se obter um MUX de 16 entradas utilizando apenas circuitos MUX de 4 entradas. Para isto, basta utilizar um MUX de saída multiplexando 4 MUX’s de entrada.
Exemplo:
Monte um multiplexador 32x1 utilizando apenas MUX 4x1
Exercícios:
1) Projete o multiplexador 32x1 utilizando apenas MUX 8x1
2) Projete o multiplexador 8x1 utilizando apenas MUX 2X1
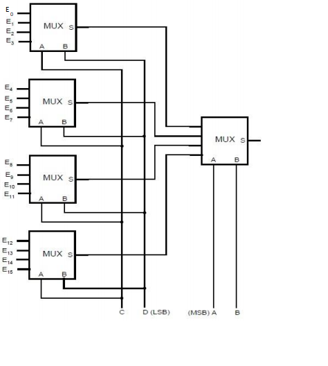
Associação Paralela de Multiplexadores
Esta associação é importante quando se necessita selecionar informações digitais de vários bits simultaneamente.
Para isto, basta utilizar um MUX com um número de canais de entrada igual ao número de informações a serem multiplexadas sendo o número de MUX’s igual ao número de bits destas informações;
No exemplo abaixo, a saída será composta por uma palavra de 3 bits. Para isso, as 4 entradas de dados diferentes (E1 , E2, E3 e E4), de 3 bits cada, será multiplexada para a saída dependendo das duas variáveis de seleção (A e B).
É o caso do DUAL MUX 153:
Como nos Multiplexadores, vários circuitos demultiplexadores podem ser associados também para ampliar o número de canais de saída para uma única entrada ou ampliar o número de entradas para se obter mais de um canal de saída ativos simultaneamente.
Associação Série de Demultiplexadores
Esta associação é utilizada para a ampliação da capacidade de canais de saída, bastando ligar os DEMUX’s de saída em um DEMUX de entrada.
No exemplo abaixo, construiu-se um DEMUX de 16 saídas utilizando apenas circuitos DEMUX de 4 saídas. Para isto, basta utilizar 4 DEMUX’s de saída demultiplexando 1 DEMUX de entrada.
Exercícios:
1) Projete o demultiplexador 1x32 utilizando apenas DEMUX 1x8
2) Projete o demultiplexador 1x8 utilizando apenas DEMUX 1x2
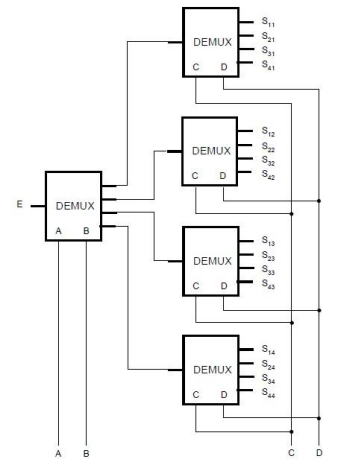
Associação Paralela de Demultiplexadores
Esta associação é utilizada para a ampliação do número de canais de saída, quando se necessita demultiplexar informações digitais de vários bits simultaneamente.
No exemplo ao lado, temos uma informação composta por 3 bits (E1, E2, E3) para ser demultiplexada a uma das 4 saídas dos 3 DEMUX. Temos duas variáveis de seleção (A e B) e as entradas de cada DEMUX representam o dado solicitado.
É o caso do DUAL MUX 159:
[OUTRA FONTE sobre associação de mux]
Fontes
- BARONCINI, Virginia. "Eletrônica Digital 1" Decodificadores e Codificadores . Disponível em https://www.docsity.com/pt/lista-de-exercicios-decodificadores-e-codificadores/5701994/]
- BASTOS, Alex Vidigal. "Projeto de Circuitos Combinacionais". Eletrônica Digital. Departamento de Computação. ICEB, UFOP.
- da SILVA, Luiz Marcelo Chiesse. "Análise de Circuitos Digitais – Codificadores". Disciplina de Eletrônica Digital. Engenharia de Controle e Automação. UTFPR – Cornélio Procópio 7.
- FERNANDES, Victory. "Eletrônica Digital". Disponível em [www.tkssoftware.com/victory Victory software and beyond].
- KLUG, MICHAEL. "Parte 1 - Display, Decodificadores e Codificadores", Disciplina de Eletrônica Digital II, curso de Engenharia Elétrica, IFSC, Campus Joinville.
- SILVEIRA, Daniel D. "Circuitos Lógicos - Multiplexadores e Demultiplexadores". Disciplina de Circuitos Lógicos. Graduação em Engenharia Elétrica, Universidade Federal de Juiz de Fora
| << Circuitos Aritméticos | AULA 14 - Codificadores e Decodificadores/ MUX e DEMUX | Famílias Lógicas >> |
|---|


















































