AULA 8 - Eletricidade Básica - FIC
<<< Voltar para página principal do curso
CARGA HORÁRIA: 5 h
CARGA HORÁRIA TEÓRICA: 3 h CARGA HORÁRIA PRÁTICA: 2 h
METODOLOGIA
- Exposição dialogada dos conteúdos disponíveis, em projetor multimídia.
- Navegação assistida em outros sites e portais, de conteúdos relacionados.
- Montagens práticas e desenvolvimento em computador de aplicativos.
- Testes de verificação e validação.
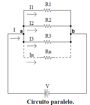
CIRCUITO PARALELO
Um circuito é dito paralelo quando todos os elementos estão conectados entre si por ambos os terminais, ou seja, possuem dois nós em comum:
Em um circuito paralelo, todos os elementos estão submetidos à mesma tensão (da fonte), tal como ilustra-se na figura abaixo.
No circuito acima, a tensão que alimenta todos os resistores é a mesma!
Ou seja, em um circuito paralelo com n resistores:
VR1 = VR2 = VR3 = VRn = Vfonte = = Vab
Note que a corrente I divide-se no nó a, em I1, I2, I3,..., In.
Ou seja:
I = I1 + I2 + I3 +...+ In
Como já vimos, a resistência equivalente de um circuito paralelo com n resistências é dada pela soma das condutâncias, onde G = 1/R, ou seja:
No circuito paralelo com apenas 2 resistências, a resistência equivalente equivale à associação paralela dos resistores R1 e R2:
No caso ainda mais específico de n resistores de mesmo valor R, em paralelo, o resistor equivalente é igual a:
Req = R/n
Análise de um circuito paralelo
Em um circuito paralelo há mais de um caminho para a corrente elétrica.
Neste caso, oferecemos dois caminhos para a corrente, e a tensão sobre cada resistor é a mesma, porque a tensão oferecida pela bateria/fonte corresponde à uma diferença de potencial elétrico fixo.
Já a corrente é a quantidade de elétrons circulando durante um intervalo de tempo.
Se a bateria for capaz de fornecer mais elétrons (assim descarregando mais rapidamente), cada lâmpada poderá ter a mesma corrente que no circuito com uma única lâmpada.
Mas para isto, o circuito irá demandar da bateria o dobro da corrente! Se os valores dos resistores forem os mesmos, a corrente total se dividirá igualmente entre os ramos:
Se o circuito tiver 3 cargas iguais em paralelo, a corrente fornecida pela fonte será igual a 3x a corrente de cada ramo:
Se as cargas não tiverem o mesmo valor, medindo-se as correntes nos resistores, verificaremos que a corrente é dividida proporcionalmente entre os ramos. Porém, que a soma das correntes dos ramos continuará sendo igual à corrente total do circuito.
Medindo as tensões nos resistores, verificaremos que a tensão é a mesma em todos.
Exemplo:
Considere o circuito apresentado na Figura abaixo.
O primeiro passo é descobrir o valor da resistência equivalente, dada por:
Agora, é a vez de calcular a corrente na fonte do circuito, dada por:
Como todos os elementos tem dois nós em comum (associação em paralelo) a tensão sobre esses pontos é a mesma, portanto a tensão em todos os elementos é igual a 27 V. É possível, então, também calcular-se a corrente que passa em cada um dos resistores! Esta será dada pela aplicação da Lei de Ohm em cada um deles:
Por fim, podemos determinar qual a potência consumida em cada resistor e a potência fornecida pela fonte, que deve ser a soma de todas as potências consumidas:
Prática
Teste as características de tensão e corrente dos circuitos paralelos apresentados em sala de aula
Fontes Bibliográficas
COMISSÃO TRIPARTITE PERMANENTE DE NEGOCIAÇÃO DO SETOR ELÉTRICO NO ESTADO DE SÃO PAULO - CPN. Eletricidade Básica - Manual de treinamento curso básico segurança em instalações e serviços com eletricidade - NR 10 . Disponível em: https://portalidea.com.br/cursos/9f2909192195f210d6c6fa89c0894301.pdf
Lemes, Andryos da Silva. APOSTILA DE ELETRICIDADE BÁSICA. MINISTÉRIO DA EDUCAÇÃO, IFSP - CAMPUS DE PRESIDENTE EPITÁCIO. Disponível em:https://pt.scribd.com/document/280039386/Apostila-Eletricidade-Basica
ROCHA, Helder da. Introdução à Eletrônica para Artistas. Apostila de curso livre. 2017. Disponível em: http://www.argonavis.com.br/cursos/eletronica/IntroducaoEletronicaArtistas.pdf.
SAMBAQUI, ANA BARBARA KNOLSEISEN; TAQUES, BÁRBARA OGLIARI. Apostila de Eletricidade. MINISTÉRIO DA EDUCAÇÃO - IFSC - CAMPUS JOINVILLE. Joinville, agosto, 2010. Disponível em: http://wiki.itajai.ifsc.edu.br/images/c/c1/Apostila_de_Eletricidade_IFSC_JOINVILE.pdf
Souza, Giovani Batista. ELETRICIDADE. MINISTÉRIO DA EDUCAÇÃO - IFSC - CAMPUS ARARANGUÁ. Edição: fev, 2009. Disponível em: https://wiki.sj.ifsc.edu.br/images/e/e6/Aru-2009-Agosto-eletricidade_basica.pdf
<<< Voltar para página principal do curso
| << Circuito SÉRIE | AULA 8 - Circuito PARALELO | Leis de Kirchoff >> |
|---|














